The 1N4148W is a high-speed switching diode widely used in compact electronic circuits. Designed for surface-mount technology (SMT), it provides fast response, low leakage current, and reliable switching performance. Its small SOD-123 package makes it suitable for high-density PCB layouts and automated assembly.
This guide covers the description, pinout, specifications, equivalents, features, applications, and FAQs to help you understand and use the diode effectively.
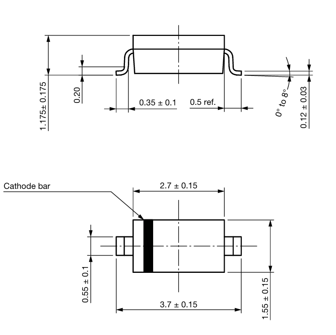
2. 1N4148W Pinout, Circuit Diagram and CAD Models
4. 1N4148W Replacement and Equivalent

The 1N 4148W is a standard high-speed switching diode designed for surface-mount applications. It is rated for 75V reverse voltage and 150 mA forward current, making it suitable for signal switching, protection, and general-purpose electronic circuits.
Built using silicon epitaxial planar technology, the diode provides fast switching performance, low leakage current, and reliable operation. Its SOD-123 package offers compact size, efficient heat dissipation, and compatibility with automated PCB assembly.
This diode commonly use in digital logic circuits, communication equipment, and consumer electronics where require space-saving design and high-speed performance.

The 1N4148W is a two-terminal diode:
Pin | Name | Description |
1 | Cathode | Marked by stripe |
2 | Anode | Current flows from anode to cathode |
Identification tip: the band marking on the diode indicates the cathode.



Parameter | Value |
Diode Type | High-speed switching diode |
Package / Case | SOD-123 |
Maximum Reverse Voltage (VRRM) | 75 V |
Forward Continuous Current (IF) | 150 mA |
Peak Forward Surge Current (IFSM) | 500 mA |
Forward Voltage (VF) | ≈ 1.0 V @ 10 mA |
Reverse Leakage Current (IR) | ≤ 5 µA |
Power Dissipation (PD) | 400 mW |
Reverse Recovery Time | ~4 ns |
Junction Capacitance | ~2 pF |
Operating Temperature Range | -65°C to +150°C |
Mounting Type | Surface Mount |
Polarity | Cathode marked with band |

The diode supply in a surface-mount SOD-123 package, designed for compact PCB layouts and automated assembly.
The SOD 123 package provides a balance between size, power dissipation, and mechanical strength, making the IN4148W ideal for modern surface-mount electronics.
The switching diode produce by several well-known semiconductor manufacturers, ensuring reliable performance and wide availability.
Vishay - Offers high-quality versions through its General Semiconductor division, known for consistent electrical performance and strict quality control.
Diotec Semiconductor - Manufactures dependable discrete semiconductor components widely used in industrial and consumer electronics.
NXP Semiconductors - Provides components designed for automotive and industrial applications requiring high reliability.
These manufacturers supply quality assurance, and long-term availability suitable for both professional and hobbyist use.
Can replace with several equivalent diodes that share similar electrical characteristics and package types. Common replacements include:
1N4448WS
1N4448W
1N4448
1N4148WS
MMSD4148T1G
Can use these equivalents in signal switching, clipping, clamping, and protection circuits, provided the voltage, current, and package requirements match the original 1N4148W. Always check the datasheet of the replacement component before use.
Variant | Manufacturer |
1N4148W-13-F | Diodes |
1N4148W-7-F | Diodes |
1N4148W-TP | Micro Commercial Components (MCC) |
1N4148W-E3-08 | Vishay General Semiconductor |
1N4148W-E3-18 | Vishay General Semiconductor |
The diode features a small and compact package, making it ideal for high-density PCB layouts. It exhibits low reverse current and fast switching speed, ensuring efficient signal processing in digital and analog circuits. The surface-mount SOD-123 package is well-suited for automatic insertion during assembly, improving manufacturing efficiency.
This diode is halogen-free, environmentally friendly, and all SMC parts are traceable to their wafer lot, ensuring consistent quality and reliability. Its combination of speed, compact size, and reliability makes it suitable for communication, consumer electronics, and industrial applications.
Signal Switching: The 1N 4148W widely use in signal routing and logic circuit protection. Its fast switching speed allows it to handle high-frequency digital signals efficiently, making it ideal for microcontroller circuits, logic gates, and communication interfaces.
Protection: The diode provides reverse polarity protection and low-power transient suppression. It safeguards sensitive components from voltage spikes, surges, and accidental polarity reversal, ensuring longer device life and stable circuit operation.
Analog Circuits: In analog applications, the 1N 4148W use for clipping, clamping, and signal demodulation. Its precise and fast response helps maintain waveform integrity in audio circuits, signal conditioning, and measurement systems.
Consumer & Industrial Electronics: Its small SOD-123 surface-mount package and reliable performance make the diode suitable for consumer electronics, computer motherboards, automotive electronics, and industrial equipment. High-density PCB layouts and automated assembly benefit from its compact size and consistent quality.
Both are fast switching diodes with similar electrical characteristics, but their package sizes differ.
Parameter | 1N4148W | 1N4148WS |
Package / Case | SOD-123 | SOD-323 |
Min Operating Temperature | -65°C | -65°C |
Subcategory | High-speed switching diode | High-speed switching diode |
Voltage - Rated DC | 75 V | 75 V |
Pin Count | 2 | 2 |
Diode Type | Small-signal / fast switching | Small-signal / fast switching |
Forward Current | 150 mA | 150 mA |
Max Surge Current | 500 mA | 500 mA |
Forward Voltage | ~1V @ 10 mA | ~1V @ 10 mA |
Max Reverse Voltage (DC) | 75 V | 75 V |
Average Rectified Current | 150 mA | 150 mA |
Peak Reverse Current | ≤ 5 µA | ≤ 5 µA |
Length | ~2.6-2.8 mm | ~1.6-1.8 mm |
Height | ~1.0-1.2 mm | ~1.0 mm |
Width | ~1.5-1.7 mm | ~1.2-1.3 mm |
Number of Terminations | 2 | 2 |
Max Operating Temperature | +150°C | +150°C |
Capacitance | ~2 pF | ~2 pF |
Power Rating | 400 mW | 350 mW |
Max Power Dissipation | 400 mW | 350 mW |
Current Rating | 150 mA | 150 mA |
Package comparison
SOD-123 → better heat dissipation
SOD-323 → ultra-compact PCB layouts
The 1N4148 diode use for high-speed switching, signal routing, waveform clipping, clamping, and protecting circuits. It is common in digital logic, communication equipment, and low-power electronic applications requiring fast response and reliable performance.
No. The 1N4007 is a slow, high-current rectifier diode for power applications. The 1N4148 is a fast-switching diode for signals. Substituting will damage circuits or prevent proper operation in high-speed or logic signal applications.
The forward voltage drop of the 1N4148W is typically around 0.7V to 1.0V when conducting 10 mA. This low voltage drop makes it suitable for signal switching and logic circuits without significantly affecting voltage levels.
Common equivalents of the 1N4148 diode include 1N4448, 1N914, MMSD4148, and 1N4148WS. These equivalents match voltage, current, and switching characteristics, making them suitable substitutes in low-power, high-speed electronic circuits.
The 1N4148W has two pins: an anode and a cathode. Current flows from the anode to the cathode in forward-biased operation, and the cathode typically mark with a stripe for identification.
The 1N4148WS-7-F is a small-signal, fast-switching diode in the compact SOD-323 surface-mount package. It functions like the 1N4148W but optimize for ultra-compact PCB layouts and automated surface-mount assembly processes.
All 1N4148 diodes share similar electrical characteristics, but they can differ in package size, manufacturer tolerances, thermal performance, and surface-mount options. Users must verify specifications before substitution to ensure proper circuit functionality.
No. The 1N4148 is a standard small-signal, fast-switching diode, not a Zener diode. Design for signal switching and protection, not for voltage regulation or maintaining a constant voltage.
Yes, the 1N4148 can rectify low-current signals in high-speed circuits. However, it is unsuitable for high-power rectification because its limited forward current rating of 150 mA.
The 1N4148 diode supports a continuous forward current of 150mA and can handle surge currents up to 500mA for short durations, making it suitable for low-power switching and signal applications.
The 1N4148W is a compact, reliable, and fast switching diode suited for modern electronic designs. With its SOD-123 surface-mount package, low leakage, and high switching speed, it widely use in signal processing, logic circuits, and protection applications. Understanding its specifications, equivalents, and differences from similar variants helps ensure proper selection and optimal circuit performance.
1. 1N4007 Diode M7 - Datasheet, Equivalent & Applications
2025-05-29
2025-05-06
2025-06-05
2025-09-04
2025-05-14
2025-04-23
2025-07-28
2025-08-17
2025-05-17
2025-05-21