The MB6S chip is a compact, highly reliable surface-mount bridge rectifier commonly use in power supply circuits to convert AC to DC. Design for printed circuit boards (PCBs), this rectifier features robust protection, low leakage current, and high surge handling capability.
In this post, we'll explore the MB6S datasheet, circuit diagram, input/output voltages, pinout, key features, and answer common questions about its use and testing.

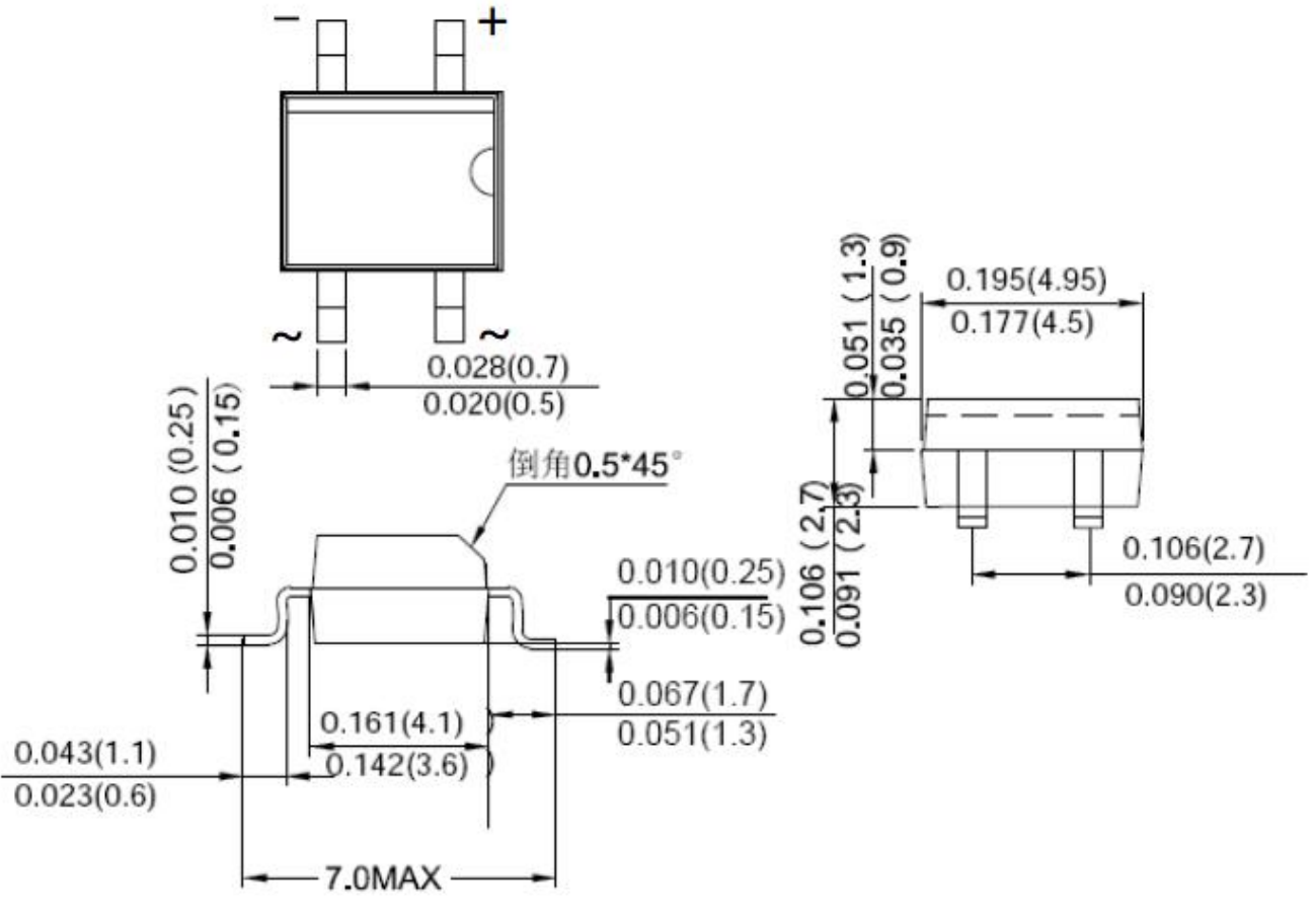
Is a glass-passivated bridge rectifier in a miniature MB package, design for Surface Mount Device (SMD) applications. Capable of converting an AC input (up to 600V) into a DC output efficiently, making it ideal for chargers, adapters, LED drivers, and power supplies.
Similar diode bridge part number:
MB6S-TP | MB6S-E3/80 |
MB6S-E3/45 | MB6S-G |
MB6STR | RMB6S |
LMB6S-TP | SLMB6S-TP |

Package | Packing | Quantity |
TO-269AA, 4-BESOP, 4-SMD | Tape&Reel | 3000pcs/reel 5000pcs/reel |
· Glass passivated die construction – for reliability and long life
· Low reverse leakage – minimizes losses
· Ideal for PCB mounting
· Surge overload rating: 30A (peak)
· UL flammability rating: 94V-0 (plastic material)
· Terminals: 100% pure tin finish
· Pb-free (RoHS compliant)
· Traceable to wafer lot
· Optional additional testing available
Here’s a basic schematic of how it use to rectify AC into DC:

· The AC input apply to the ~ terminals.
· The DC output take from the + and − terminals.
A smoothing capacitor often connect at the output to reduce ripple.
+---------+
| |
AC~| 1 4 | AC~
DC+ | 2 3 | DC−
+---------+
Pin Functions:
· Pin 1 – AC Input (~)
· Pin 2 – DC Output (+)
· Pin 3 – DC Output (−)
· Pin 4 – AC Input (~)
This configuration allows for compact PCB design and straightforward routing of AC and DC lines.
Parameter | Value |
Max Repetitive Reverse Voltage (V<sub>RRM</sub>) | 600V |
Average Rectified Output Current (I<sub>O</sub>) | 0.5A |
Peak Surge Current (I<sub>FSM</sub>) | 30A |
Forward Voltage Drop (per diode) | ~1V (typical) |
Operating Temperature | −55°C to +150°C |
Input Voltage:
· Typically design for AC voltages up to 420V RMS, with a peak repetitive reverse voltage (V<sub>RRM</sub>) of 600V.
Output Voltage:
· DC output voltage is approximately:
V<sub>DC</sub> ≈ V<sub>AC</sub> × √2 − 2V
(because 2 diode drops in the full bridge path)
· For example, if input is 230V AC, output DC would be around ~324V − 2V = ~322V DC (before filtering).
· AC-DC power supplies
· LED drivers
· Battery chargers
· Home appliances
· Industrial control systems
Use to convert alternating current (AC) to direct current (DC) in compact electronics. Ideal for surface mount applications on PCBs, suitable for automated assembly lines. Such as power adapters, LED drivers, embedded electronics, Chargers and small appliances.
You can test if a bridge rectifier is bad using a digital multimeter (DMM) and checking for open circuits, shorts, or incorrect diode behavior.
Common symptoms of a faulty bridge rectifier:
· No Output Voltage
Input AC is present, but no DC output.
Measured output voltage is 0V or highly unstable.
· Output voltage is the same as input AC
· Physical signs: cracking, discoloration, or overheating
A failed rectifier can overheat or physically burn if it's shorted or drawing too much current. You can test with a multimeter (see FAQ 5 below) to check if any of the internal diodes are open or shorted.
The output depends on the input AC:
· For 120V AC, the DC output ≈ 170V − 2V ≈ 168V
· For 230V AC, the DC output ≈ 325V − 2V ≈ 323V
(Add filtering capacitors for smoother DC.)
The MB10S is a similar bridge rectifier with higher voltage/current rating (1.5A, 1000V). Use for similar purposes as MB6S but in applications that require higher power handling.
Step-by-Step Diode Test Mode.
Put your multimeter to diode mode and check each diode junction:
· Place red lead on DC+ and black lead on each AC terminal; expect ~0.5–0.7V
· Reverse the leads; expect no reading
· Repeat for DC− terminal in reverse order
· Check for Shorts
Between + and – (output pins). If any reading shows 0V or infinite in both directions, the diode may shorted or open.
Tools You Need:
Digital multimeter with Diode Test Mode
Schematic (optional but helpful)
Safety gear if testing in live circuits
The MB6S bridge rectifier is a versatile and compact solution for AC to DC conversion in electronic designs. With features like glass passivation, low leakage, and SMD packaging, it offers reliable performance across many applications.
2025-05-29
2025-05-06
2025-06-05
2025-09-04
2025-05-14
2025-04-23
2025-07-28
2025-08-17
2025-05-17
2025-05-21