The SS36 diode is a surface-mount Schottky Rectifier use in various electronics for its efficiency and speed. Its low forward voltage drop and fast switching action, the SS36 is use in power supplies, DC-DC converters, inverters, and polarity protection circuits.

Catalog:
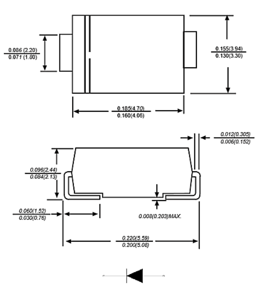
1.Package Dimensions and Marking Code
2.Equivalent and similar diodes
3.Features of the SS36
4.Frequently Asked Questions (FAQ)
5.PDF Datasheet
Available in three main surface-mount packages, each differing in size:
· DO-214AC (SMA) in inches (millimeters)
Compact size for low-to-medium current applications.
Typical dimensions: 4.5 × 2.7 × 2.2 mm

· DO-214AA (SMB)
Slightly larger than SMA, suitable for medium current and better thermal performance.
Typical dimensions: 4.7 × 3.9 × 2.4 mm

· DO-214AB (SMC)
Largest of the three, design for higher power and current requirements.
Typical dimensions: 7.11 × 6.22 × 2.62 mm

Each form factor allows designers flexibility in layout, thermal management, and current handling for their specific application needs.
Marking Code

xxxxx = Product type marking code=SS36
When replacing or comparing the SS36, several equivalents can use depending on the electrical and thermal characteristics required. Some common equivalents include:
· MBRS360 – SMA package, matches voltage and current.
· SR360 – Similar 60V, 3A Schottky diode.
· SK36 – 60V/3A Schottky in SMA/SMB packages.
When choosing an equivalent, ensure you match the reverse voltage (60V), average forward current (3A), and package type for compatibility.
Here is the list of similar diodes:
SK36A-LTP | SK36B-LTP |
MBRS360T3G | B360B-13-F |
B360A-13-F | SSA36 |
STPS3L60U | B360AM-13-F |
SK36 | CDBB360-G |
CDBA360-HF | B360B-E3/52T |
STPS3L60UY | B360BQ-13-F |
STPS3L60S | B360A-E3/61T |
MBRS360BT3G | VS-30BQ060HM3/9AT |
RB058L-60TE25 | RBR3L60BDDTE25 |
RB050L-60TE25 | XBS306S19R-G |
TSSA3U60 | SS36-E3/57T |
ACDBC360-HF | XBS306S17R-G |
CD214C-B360LF | NSQ03A06 |
Offers a blend of performance and reliability for a wide range of power applications. Key features include:
· Metal silicon junction with majority carrier conduction
Enables fast switching and low reverse recovery time.
· Surface-mounted design
Suited for automatic insertion and reflow soldering in PCB production.
· Low power loss and high efficiency
Reduces heat generation and increases energy efficiency in circuits.
· High forward surge current capability
Handles brief overloads without damage—for inductive or startup loads.
· Applications
Perfect for low voltage, high frequency inverters, freewheeling diodes, and polarity protection.
· Environmentally Compliant
Fully RoHS III / REACH compliant and halogen-free, supporting green design requirements.
SS36 is a 3A, 60V Schottky rectifier in a surface-mount(SMD) package. For fast switching, low forward voltage drop (typically 0.5V–0.7V), and high efficiency in power conversion and protection circuits.
The SS34 is similar to the SS36 but rated for 40V reverse voltage instead of 60V. It also supports 3A average forward current and is use in applications where 40V is sufficient, offering slightly lower forward voltage drop because lower breakdown rating.
Here's a comparison table of the SS34, SS36 to help you quickly assess key parameters:
Diode | Reverse Voltage (VR) | Forward Current (IF avg) | Forward Voltage Drop (VF) | Package | Surge Current (IFSM) | Type |
SS34 | 40V | 3A | 0.5V–0.55V | DO-214AC(SMA) /SMB/SMC | ~80A | Schottky |
SS36 | 60V | 3A | 0.65V–0.7V | DO-214AC(SMA) /SMB/SMC | ~80A | Schottky |
A Schottky diode uses a metal-semiconductor junction instead of a PN junction. This allows majority carrier conduction, which eliminates the need for minority carrier storage. As a result, it exhibits:
· Faster switching speeds
· Lower forward voltage drop
· Minimal reverse recovery time
These properties for high-speed and power-efficient circuits.
Conclusion:
The SS36 diode is a efficient choice for many power and protection applications, offering flexibility with its multiple packages and strong electrical characteristics. Whether you're designing power supplies, motor drivers, or USB power devices, the SS36 is a dependable solution.
2025-05-29
2025-05-06
2025-06-05
2025-09-04
2025-05-14
2025-04-23
2025-07-28
2025-08-17
2025-05-17
2025-05-21