The BAV70 is a widely use high-speed dual switching diode designed for general-purpose signal switching in compact electronic circuits. With fast reverse recovery, low capacitance, and a robust 100 V reverse voltage rating, it commonly find in digital logic protection, high-frequency switching, signal routing, and clamping circuits. Its miniature SOT-23 (TO-236AB) surface-mount package makes it suitable for modern compact PCB designs.
1. What is the BAV70 Dual Diode?
3. BAV70 Symbol, Footprint, and CAD Model
4. BAV70 Technical Specifications
7. BAV70 Replacement Options (Alternatives / Equivalents)
9. BAV70 Manufacturers Information
10. Frequently Asked Questions [FAQ] about BAV70 Diode

The BAV70 is a high-speed dual switching diode designed for fast signal processing, protection, and routing in compact electronic circuits. It contains two independent diodes connected through a common cathode, making it suitable for logic OR-ing, clamping, and high-frequency switching tasks. High-speed switching double diode, encapsulated in a small SOT23 (TO-236AB) Surface-Mounted Device (SMD) plastic package. Its fast reverse recovery time of around 4 ns, low capacitance, and low leakage current allow reliable performance in digital and RF applications. The BAV 70 widely use in communication devices, signal steering networks, and general-purpose high-speed switching circuits.

Pin | Name | Description |
1 | A1 | Anode of diode 1, used for input or signal routing to the first-diode. |
2 | A2 | Anode of diode 2, provides the input path for the second-diode. |
3 | CC | Common cathode shared by both diodes, acting as the output or reference node. |

The dual diode uses a compact SOT-23 (TO-236AB) surface-mount package with three pins arranged to support its internal common-cathode configuration.
This configuration allows each diode to use independently while maintaining a single cathode reference point, making the circuit ideal for signal steering, clamping, logic OR-ing, and high-speed switching applications in modern compact electronic designs.

The symbol is simply two diodes facing toward the cathode node.


The footprint corresponds to the SOT-23 land pattern:
Three pads arranged for automatic pick-and-place.
Compatible with IPC-7351 standard SMD footprint.
Below are typical values (manufacturer variations will exist):
Parameter | Value |
Reverse Voltage (VR) | 100 V (Maximum) |
Forward Current (IF) | 200 mA (per diode) |
Reverse Current (IR) | ≤ 100 nA (at VR = 100V) |
Forward Voltage (VF) | ~0.7 V (at IF = 10 mA) |
Reverse Recovery Time (trr) | ≤ 4 ns |
Junction Capacitance (Cj) | ≤ 1.5 pF (at VR = 0 V, f = 1 MHz) |
Power Dissipation (Pd) | ~350 mW |
Operating Temperature (Tj) | -55°C to +150°C |
Storage Temperature (Ts) | -55°C to +150°C |
Thermal Resistance (RθJC) | ~300°C/W |
Maximum Soldering Temperature | +260°C for 10 seconds max |
Package Type | SOT-23 (TO-236AB) |
Lead-free | Yes |
Mounting Type | Surface-Mount Device (SMD) |
Speed | Fast Recovery =< 500ns, > 200mA (Io) |
Diode Configuration | 1 Pair Common Cathode |
Key Notes:
Reverse Recovery Time (trr): This is critical for high-speed applications. The ≤ 4 ns rating ensures the diode is fast in switching applications like data lines and logic protection.
Low Capacitance: The ≤ 1.5 pF capacitance ensures the BAV70 is suitable for high-frequency operations.
Low Leakage Current (IR): The ≤ 100 nA reverse leakage current makes it ideal for use in low-current circuits, ensuring minimal power loss.
These ratings make BAV70 suitable for high-frequency, high-speed switching circuits.
The data sheet provides comprehensive technical details about the BAV 70 dual diode, essential for engineers and designers when selecting or integrating this component into their projects. The datasheet includes all necessary electrical characteristics, mechanical dimensions, and application guidelines for proper use.
Whether used in signal routing, protection, or switching, the datasheet is a key resource for understanding its capabilities and ensuring optimal performance in various applications.
The dual diode offers a range of features that make it ideal for high-speed, high-frequency switching applications. Below are the key features:
The diode design with a reverse recovery time (trr) of ≤ 4 ns, ensuring rapid switching capabilities. This fast recovery time is crucial in applications where quick changes in voltage or current need to handle efficiently, such as in digital circuits, signal processing, and high-frequency communication systems.
With a junction capacitance of ≤ 1.5 pF, the diode ensures minimal signal distortion, making it suitable for high-frequency circuits. This low capacitance is beneficial in applications where signal integrity is crucial, like in RF and high-speed data transmission.
The BAV 70 features low reverse leakage current, typically in the range of ≤ 100 nA. This characteristic ensures that the diode remains highly efficient, with minimal power loss, even when in a non-conductive state. Particularly useful in low-power or low-voltage circuits.
The maximum reverse voltage of 100V ensures the diode can handle moderate voltage fluctuations, providing reliable protection against reverse voltage spikes in signal switching and clamping applications.
Encapsulated in a SOT-23 (TO-236AB) surface-mount device (SMD) package, the BAV70 is ideal for modern, compact PCB designs. The SOT23 ensures efficient space utilization on PCBs, making it perfect for portable and space-constrained electronic devices.
These features collectively make the BAV 70 an excellent choice for fast-switching, high-frequency applications such as signal routing, clamping, and general-purpose logic protection in compact designs.
The dual diode widely use in a variety of applications where fast switching and compact design are essential. Below are the key use cases:
Thanks to its high switching speed (trr ≤ 4 ns), the circuit is ideal for circuits that require rapid response times. It commonly use in digital circuits, data transmission systems, and signal processing applications, where quick transitions between on/off states are necessary for proper function. Its low capacitance also ensures minimal signal distortion, making it highly effective for high-frequency applications such as RF circuits and communication devices.
The common cathode configuration of the BAV 70 makes it well-suited for signal steering and logic gate applications. This setup allows both diodes in the package to share a common cathode, making it easy to implement in OR-gates, level shifters, or clamping circuits. It commonly use in digital protection circuits to safeguard other components from excessive voltage.
This diode is a reliable, versatile diode that widely use in general-purpose switching applications. Its low leakage current, low-forward voltage, and compact size make it suitable for various tasks, including clamping, signal routing, and logic-level switching in both analog and digital circuits. It often find in consumer electronics, computers, and automotive electronics where need small, reliable diodes.
These applications demonstrate the versatility of the circuit, making it an essential component in both high-speed and general-purpose switching scenarios. Its compact form factor and fast performance make it ideal for modern electronics
While the BAV70 is a versatile and reliable dual diode, there are several alternative diodes with similar features and specifications that can use as replacements in various applications. Below are some recommended replacement options:
The BAV99 is a general-purpose diode array with a 70 V reverse voltage and 200 mA forward current rating, packaged in the SOT-23-3 surface-mount package. Ideal for applications requiring high-speed switching and signal routing, just like the BAV70. This diode array is also suitable for clamping and logic gate protection.
The BAW56 is another diode array featuring a common anode configuration. With a reverse voltage rating of 85 V and a 200 mA current rating, this diode array comes in a TO-236-3, SOT-23-3, SC-59 surface-mount package. The common anode configuration makes it a suitable alternative for circuits that require clamping, level shifting, and signal processing applications.
The MMBD1503 is a diode array featuring a series connection of two diodes, with a higher reverse voltage rating of 200 V and a current rating of 200 mA. This surface-mount diode array is perfect for applications requiring higher voltage tolerance and fast switching in digital circuits, data lines, or high-frequency environments.
These alternatives offer similar functionality and can select based on specific circuit requirements such as reverse voltage, current ratings, and package type. Always ensure that the replacement meets the electrical and physical specifications required for your design.

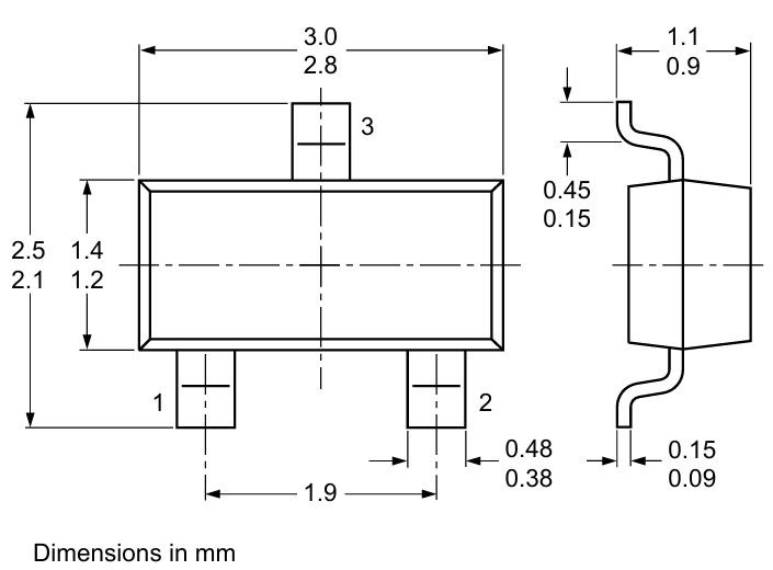
Typical SOT23 package dimensions (vary slightly by manufacturer):
· Length: 2.9 mm
· Width: 1.3 mm
· Height: 1.0 mm
· Lead Pitch: 0.95 mm
· Pad width: 0.3–0.5 mm
Many major semiconductor brands manufacture BAV70 or their variants:
Known for high-performance SMD diodes, Fairchild’s BAV70 offers fast switching and low capacitance suitable for digital and analog circuits. Now part of ON Semiconductor, they maintain industry-leading standards.
Provides high-speed switching diodes for use in communication systems, RF applications, and automotive electronics, offering reliable performance in low-power circuits and signal processing.
Specializes in cost-effective diodes for general-purpose switching and signal protection.
Offers BAV 70 for high-frequency applications, with a focus on high-speed switching and signal integrity, making it ideal for data transmission and clamping circuits.
As the parent company of Fairchild, ON Semiconductor produces the diode for automotive, consumer electronics, and industrial applications, ensuring high-reliability and fast performance.
Provides diodes designed for high-speed signal routing and switching in power management and communications. They emphasize efficiency and compact form factors.
Known for their robust semiconductor components, VISHAY’s BAV70 is ideal for clamping circuits and general-purpose switching in power electronics and signal conditioning.
Offers a cost-effective diode for high-speed switching in low-power devices, focusing on compact packaging and high-frequency performance in consumer electronics.
These manufacturers ensure that the diode is widely available and suitable for a broad range of applications, from high-speed switching to signal protection and data transmission. Always refer to the specific datasheet for each manufacturer for detailed specifications.
Manufacturer | Part Number |
NXP Semiconductors | BAV70,215 |
NXP Semiconductors | BAV70,235 |
Diodes Incorporated | BAV70-7-F |
VISHAY Semiconductors | BAV70-E3-08 |
Infineon Technologies | BAV70-04 |
MCC (Micro Commercial Components) | BAV70-TP |
VISHAY Semiconductors | BAV70-HE3-08 |
ON Semiconductor (ONSEMI) | BAV70LT1G |
This table lists the equivalent part numbers from different manufacturers, which offer variations of the BAV70 diode with similar specifications for high-speed switching, low capacitance, and compact SMD packaging. Always refer to the datasheet for each part to ensure compatibility with your specific application.
The BAV70 encapsulate in an SOT-23 (TO-236AB) surface-mount device (SMD) plastic package. This compact, three-pin package is ideal for applications where space is limited, allowing efficient mounting on printed circuit boards (PCBs) while maintaining excellent electrical performance, including fast switching speeds and low capacitance.
The BAV70 is used in high-speed switching applications, including signal routing, clamping, and logic protection. Its common cathode configuration allows it to use in digital circuits, data transmission, and RF systems, offering fast recovery times, low capacitance, and low leakage current for efficient signal handling in compact designs.
The BAV70 has a reverse voltage rating (VR) of up to 100V, meaning it can safely handle reverse voltages up to 100 volts without breaking down. This makes it suitable for signal protection, clamping circuits, and general-purpose switching in both low-voltage and moderate-voltage electronic applications.
The diode operates within a temperature range of -55°C to +150°C, ensuring reliable performance in harsh environments. This wide operating temperature range makes the diode suitable for use in applications exposed to temperature fluctuations, such as automotive systems, industrial electronics, and consumer devices that require high-speed switching at varying conditions.
When two diodes connect in parallel, the current sharing between them can be uneven, especially if they have slightly different forward voltages. This can cause one diode to carry more current than the other, potentially leading to thermal runaway and damage. Need to ensure proper current balancing to avoid failure.
Yes, Schottky diodes are known for their fast switching speeds, primarily because they have low forward voltage drop and no charge storage. This allows them to recover quickly from the on-state to the off-state, making them ideal for high-speed switching applications such as RF circuits, power supplies, and digital signal processing.
The BAV70 dual diode is a versatile, high-speed switching component, perfect for signal routing, clamping, and logic protection in digital and communication circuits. Its compact SOT-23 package, 100V reverse voltage, and low leakage current make it ideal for a wide range of applications. Manufactured by top companies such as ON Semiconductor, NXP, and VISHAY, the BAV70 offers reliable performance and ease of integration into modern electronic designs. With fast switching and low power consumption, it remains a go-to choice for efficient, compact, and durable electronic solutions.
1. Guide To the BAV99 Diode - High-Speed Switching
2025-05-29
2025-05-06
2025-06-05
2025-09-04
2025-05-14
2025-04-23
2025-07-28
2025-08-17
2025-05-17
2025-05-21