The NE5532 op amp is a high-performance operational amplifier that widely use in audio, instrumentation, and signal processing applications. With its exceptional DC and AC characteristics, low noise, and high output-drive capability, it has become a staple in both consumer and professional electronics. Whether you're designing a Hi-Fi amplifier, audio signal processing circuit, or any project that requires a high-quality op-amp, understanding the NE5532's datasheet, pinout, specifications, and potential alternatives is necessary. This guide will walk you through all the key details of this circuits and help you make the best decision for your application.
2. NE5532 Pinout, CAD Models, Configuration and Circuit Diagram
3. NE5532 Op Amp Specifications and Features
5. NE5532 Hifi Preamp Amplifier Advantage
6. IC NE5532 Equivalent and Alternative
8. NE5532 Package and Dimensions
10. Frequently Asked Questions [FAQ]

A high-performance dual operational amplifier (op-amp) design to offer superior DC and AC performance. Widely use in audio processing, instrumentation, and signal conditioning applications as its low noise, high output-drive capability, and excellent linearity.
One of NE5532’s standout features is its low equivalent input noise voltage, typically 5 nV/√Hz at 1 kHz, which makes it highly suitable for low-noise applications such as audio preamplifiers. Additionally, the high slew rate of 9 V/μs allows it to respond rapidly to changes in the input signal, making it ideal for high-speed applications.
The op-amp also offers high unity-gain bandwidth (10 MHz typical), enabling it to operate effectively at higher frequencies without significant signal distortion. Its low distortion ensures that the output closely follows the input signal, a key feature in high-fidelity (Hi-Fi) audio systems.
Further enhancing its robustness, the circuit includes internal input protection diodes and output short-circuit protection, which guard against over-voltage and prevent damage to the device. The op-amp internally compensate for unity-gain operation, simplifying design and eliminating the need for external compensation in most circuits.
Understanding the pin out of the chip is necessary for designing circuits that use this op-amp.
The NE5532 is a dual operational amplifier, meaning it contains two independent op-amps in one package. Each op-amp has its own set of pins, but the overall configuration and pinout follow a standard format. Below is a detailed description of each pin:

Pin No | Pin Name | Description |
1 | OUT1 | This is where the amplified signal is output. |
2 | 1IN- | Inverting Input of the first op-amp. This pin receives the signal that invert during amplification. |
3 | 1IN+ | Noninverting Input. Receive the signal that is amplified without inversion. |
4 | VCC- | This is where connect the negative voltage supply. |
5 | 2IN+ | Noninverting Input. This pin receives the signal that is amplified without inversion. |
6 | 2IN- | Inverting Input. Receive the signal that invert during amplification. |
7 | 2OUT | This is where the amplified signal from the second op-amp is output. |
8 | VCC+ | This is where connect the positive voltage supply. |
The chip design for dual applications, with each op-amp having its own inverting and non-inverting inputs and output. Use the power supply pins (VCC+ and VCC-) to powering the device, while the input pins allow you to connect the signals you want to amplify.
Op-Amp Configuration:
The circuit typically operates with a feedback network that controls its gain. Apply the input signals to the inverting and non-inverting inputs (pins 2, 3 for the first op-amp and pins 5, 6 for the second op-amp), while the outputs (pins 1 and 7) provide the amplified signal. The op-amp’s positive and negative supply voltages (pins 4 and 8) provide the necessary power for operation.






The several performance specifications that make it an excellent choice for high-precision application. Below are the key specifications that define its operation:
Equivalent Input Noise Voltage: 5 nV/√Hz typical at 1 kHz. This low noise makes the chip ideal for sensitive signal processing applications.
Unity-Gain Bandwidth: 10 MHz typical. Allow to operate with high-fidelity signals, making it well-suited for audio and instrumentation.
Common-Mode Rejection Ratio (CMRR): 100 dB typical. This high CMRR means the op-amp rejects unwanted signals common to both inputs, ensuring cleaner outputs.
DC Voltage Gain: 100 V/mV typical. Provide a high gain for signal amplification, ensuring clear and distortion-free output.
Peak-to-Peak Output Voltage Swing: 26 V typical with VCC± = ±15 V and RL = 600 Ω. Ensure that the circuit can drive a wide range of loads without clipping.
Slew Rate: 9 V/μs typical. The NE5532’s relatively high slew rate makes it suitable for high-speed applications.

Parameter | Value |
Device Type | Dual Operational Amplifier |
Supply Voltage (Vcc ±) | ±3V to ±18V, Recommended: ±15V for typical operation |
Input Voltage Range | ±Vcc |
Input Offset Voltage | ±5 mV Max |
Input Bias Current | 50 nA (Typical), 100 nA Max |
Input Noise Voltage (Equivalent) | 5 nV/√Hz @ 1 kHz |
Input Noise Current | 0.1 pA/√Hz |
Common-Mode Rejection Ratio (CMRR) | 100 dB (Typ) |
Power Supply Rejection Ratio (PSRR) | 90 dB (Typ) |
Mfr | Texas Instruments |
ONSEMI | |
Packaging | Tube |
Tape & Reel (TR) | |
Amplifier Type | Standard (General Purpose) |
Number of Circuits | 2 |
Slew Rate | 9V/µs |
Gain Bandwidth | 10 MHz |
Current - Input Bias | 200 nA |
Voltage - Input Offset | 500 µV |
Current - Supply | 8mA (x2 Channels) |
Current-Output/ Channel | 38 mA |
Voltage-Supply Span (Min) | 10 V |
Voltage-Supply Span (Max) | 30 V |
Operating Temperature | 0°C ~ 70°C (TA) |
Mounting Type | Surface Mount |
Through Hole | |
Package / Case | 8-SOIC (0.154", 3.90mm Width) |
8-SOIC (0.209", 5.30mm Width) | |
8-DIP (0.300", 7.62mm) | |
NE5532's series | NE5532DR, NE5532ADR, NE5532D8R2G |
Voltage Gain | 100 V/mV (Typ) |
Output Voltage Swing | ±13 V (Typical), For ±15V supply and 600Ω load |
Output Short-Circuit Protection | Yes |
Output Drive Capability | 30 mA (Typical) |
Total Harmonic Distortion (THD) | 0.003% (Typ) |
Lead Count | 8 8-pin package for both DIP and SOIC configurations |
The circuit with a wide range of applications across different industries. NE5532’s primary uses revolve around audio amplification, signal processing, and instrumentation, but can also apply it in other electronic systems.
Common Applications:
Hi-Fi Audio Systems: The NE5532’s low noise, low distortion, and high output-drive capability make it a popular choice for audio-preamplifiers and power amplifiers in high-fidelity (Hi-Fi) audio systems.
Use in AV receivers to amplify low-level audio signals for better sound quality and performance.
Embedded PCs and Netbooks: As its low power consumption, can use the chip in embedded systems for signal amplification in audio interfaces and sensor systems.
Use in video transcoders, video-mixers, and broadcast equipment for precise signal amplification. In pro audio mixers, ensuring high-quality sound amplification and clarity for live sound reinforcement. In signal conditioning circuits for instrumentation and measurement applications, where require accurate signal amplification.
The Opamp is widely recognized for its exceptional performance in Hi-Fi preamplifier applications. It provides several significant advantages, making it a top choice for audiophiles and audio engineers. One of its key strengths is NE5532’s low noise characteristic, with an equivalent input noise voltage of just 5 nV/√Hz at 1 kHz. This feature ensures that the preamplifier remains transparent and does not introduce unwanted hum or hiss into the signal chain, making it ideal for high-quality audio systems.
Another advantage in Hi-Fi applications is its high slew rate of 9 V/μs, which allows the preamp to quickly respond to fast transients and dynamic range changes in audio signals without distortion. This characteristic is useful in high-fidelity systems where need fast, precise amplification to maintain the integrity of the original sound.
The unity-gain bandwidth of 10 MHz allows the circuit to handle a wide range of frequencies without signal degradation. Especially valuable in audio preamps where require maintaining the clarity and fidelity of the signal across the frequency spectrum. The common-mode rejection ratio (CMRR) of 100 dB further enhances its performance by rejecting unwanted signals that are common to both inputs, ensuring that only amplify the desired audio signal.
In addition, the op-amp has a high output-drive capability, allowing it to easily drive low-impedance loads, such as speakers or other audio equipment. This makes it highly versatile in various audio applications, from consumer Hi-Fi systems to professional sound equipment.
The low distortion of the chip ensures that the amplified signal closely mirrors the original input, without any added harmonic distortion, which is vital for maintaining the natural sound of instruments and vocals. This, combined with its output short-circuit protection and internal compensation for unity gain, makes the op-amp a durable, reliable, and highly effective choice for Hi-Fi audio preamplifiers.
Several operational amplifiers can serve as equivalents or alternatives to the NE5532, depending on the requirements of the circuit. Below are some of the most common replacements, each suited for specific applications in audio, signal processing, and instrumentation:
TL072: A low-noise JFET-input op-amp, popular for general-purpose audio applications. It offers lower output drive and slew rate than the NE5532, but is a cost-effective alternative when require low noise.
OPA2134: A high-performance audio op-amp design for audiophile-grade systems. Delivers extremely low distortion and low-noise, making it a premium equivalent, especially for Hi-Fi applications.
LM833: A low-noise dual op-amp commonly use in audio systems. While it doesn’t match the slew rate or unity-gain bandwidth, it’s a cost-effective choice for basic audio circuits.
AD827: A precision op-amp that excels in low-noise and high-accuracy applications. Ideal for instrumentation and high-performance audio systems requiring precision and stability.
RC4588: A dual op-amp that offers low noise and moderate performance. A good budget substitute for audio applications requiring dual amplifiers.
LM358: A dual op-amp typically use in general-purpose applications. While it has lower performance in slew rate and noise, it is an affordable option for basic circuits.
LM4558: Similar to the LM358, this is a dual op-amp suitable for general-purpose use, including audio applications. It offers moderate performance but often use as a low-cost alternative in non-critical applications.
MC4558: A dual op-amp offering low power consumption and suitable for audio preamp applications. Commonly use in cost-sensitive projects but doesn’t provide the same high performance as the NE5532.
NJM4560: A low-noise op-amp design for audio applications. Often use in high-quality audio circuits and serves as an alternative in mid-range performance systems.
LM258: A dual op-amp with general-purpose capabilities, use in a variety of low-cost applications. Its performance is lower than the NE5532’s, but widely use in basic circuits where noise and performance are less critical.
These alternatives vary in noise performance, slew rate, bandwidth, and cost, so the right choice depends on the specific requirements of your application.
The circuit operational amplifier manufacture by several well-known semiconductor companies, each offering slightly different versions of the same high-performance IC:
NE5532 Philips (now NXP Semiconductors): Originally developed the NE5532, and their version is widely recognized for its high-quality performance and reliability. NXP continues to produce this op-amp under the NXP brand.
NE5532 Texas Instruments: TI offers the NE5532 as part of their op-amp lineup. Their version maintains the same low-noise, high-performance characteristics.
ON Semiconductor: ON-SEMI also manufactures this chip, providing quality op-amps with comparable specifications. Their products widely use in audio and signal processing applications, ensuring reliable performance for both professional and consumer-grade electronics.
Each of these manufacturers offers with the same specifications and performance, so the choice between them typically depends on availability, pricing, and package options.
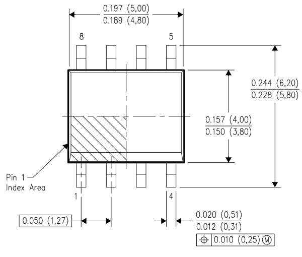
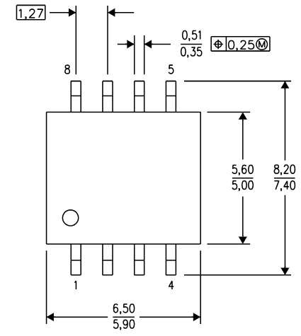
The op-amp is available in multiple packing types to suit various mounting and application requirements. Here are the common packaging types and their dimensions:
SOIC (8): Dimensions: 4.90mm × 3.91mm

This is a small, 8-pin surface-mount package, ideal for compact circuit designs and automated PCB assembly.
SO (8): Dimensions: 6.20mm × 5.30mm

Another 8-pin SMD type, slightly larger than the SOIC version, providing more space for the leads but still suitable for compact designs.
PDIP (8) : Dimensions: 9.81mm × 6.35mm

This is a traditional through-hole package with 8 pins, commonly use for prototyping and designs where require manual assembly.
These package types provide flexibility for designers to choose the most appropriate option based on assembly methods, board size, and application needs.
XH-M164 NE5532 Stereo Pre-amp Preamplifier Tone Board Audio 4 Channels Amplifier Module 4CH Control Circuit Telephone Preamp.

Design to provide audio amplification and offer the ability to adjust high, medium, and low frequencies for a customizable listening experience. By utilizing the dual-core NE5532 chip, this board is perfect for use in power amplifiers, improving sound quality and providing precise control over the audio signal.
This board is ideal for audio enthusiasts and engineers looking to enhance their systems with high-fidelity sound and customizable tone controls.
Product Features and Parameters:
Parameter | Specification |
Power Supply Requirement | AC dual 12-24V |
Power Consumption | 5W |
Appearance Dimensions | 100mmx60mm (excluding the protruding knob) |
Potentiometer Spacing | 24mm |
Installation Hole Spacing | K = m³, J = 53*93mm |
Front Chip | NE5532 |
Input Interface | Standard lotus socket |
Output Interface | 2.54-3P |
Number of Channels | Dual Channels |
Adjustment Type | 4 channels (Treble + Midrange + Bass + Total Volume) |
This NE5532-based tone board is an ideal solution for enhancing the audio quality and offering detailed control over frequency response, ensuring a more dynamic and customizable sound experience. Whether you’re using it in professional audio equipment or home Hi-Fi systems, it can significantly improve the overall audio output.
The NE5532 primarily use in audio amplification and signal processing applications. Commonly find in high-fidelity (Hi-Fi) audio-preamplifiers, audio-mixers, and audio-signal conditioning circuits. As its low noise and high slew rate, the circuit is ideal for precise audio reproduction, making it a popular choice for professional audio equipment. Additionally, it use in instrumentation, active filters, and op-amp based circuits requiring high performance with low distortion and wide bandwidth. The op-amp's dual-channel configuration makes it useful for stereo applications.
Op-amps such as the OPA2134 and LM4562 offer superior performance of lower distortion, higher slew rate, and improved noise rejection compared to the NE5532. The OPA2134, for example, specifically design for audiophile applications, providing low distortion and better noise characteristics than the NE5532, making it a better choice for high-end audio systems. LM4562 is another alternative known for its low THD and high fidelity. These op-amps often use in high-end audio circuits, but they come at a higher price point than the NE5532.
The TL072 is a JFET-input op-amp, while the NE5532 is a bipolar-input op-amp. The TL072 typically favor in low-power applications as its low input bias current and high input impedance, making it ideal for high-impedance signal sources. The NE5532, on the other hand, offers better noise performance, higher slew rate, and suite for higher-output applications. The TL072 has a lower distortion rate, but the NE5532 provides superior output drive capability and higher bandwidth, making it better for demanding audio and instrumentation circuits.
Yes, there are several alternatives to the LM4562 and NE5532, including the OPA2134, TL072, LM833, AD827, and NJM4560. These op-amps are suitable for various applications such as audio amplification, signal conditioning, and precision instrumentation. For instance, the OPA2134 offers better audio performance with lower distortion, while the TL072 provides low-power operation. The NJM4560 often use in audio circuits and provides performance similar to the NE5532. The choice depends on the application’s need for low noise, slew rate, or power consumption.
The NE5532 is not typically design for low-power applications. It requires a dual ±15V supply and consumes more power than low-power op-amps like the TL072 or OPA2134. However, it still offers low noise and high-performance audio amplification, making it suitable for high-fidelity systems. The LM4562, while offering high-performance audio output, also consumes relatively more power than other low-power op-amps. If low power is a priority, choosing op-amps like such as TL072, LM358, or LM321 are better suited for battery-operated or portable devices.
Yes, you can substitute the LM4562 for the NE5532 in most applications, but there are some differences to consider. The LM4562 offers lower distortion, higher slew rate, and better noise rejection, making it suitable for high-end audio applications. However, the LM4562 has different power requirements and not be pin-compatible with the NE5532 in some cases, especially in DIP form. The LM4562 is also more expensive than the NE5532, so it’s important to weigh performance needs against the cost of the substitution.
No, the NE5532 is typically rated to operate within a temperature range of 0°C to 70°C. If you require an op-amp to operate at higher temperatures, such as 100°C, you would need to select an alternative design for high-temperature environments. The NE5532 could experience reduced performance, increased drift, or even permanent damage if exposed to temperatures beyond its rated range. Consider using automotive-grade or industrial-grade op-amps for high-temperature applications.
A supply voltage range of ±3V to ±18V. This provides flexibility for various applications, with ±15V being the most common operating voltage. At ±15V, the circuit delivers optimal performance in output swing, bandwidth, and slew rate. However, operating at lower voltages will slightly affect its performance, such as reducing its output voltage swing and affecting its drive capability. It’s important to adhere to the recommended voltage range to ensure proper operation and longevity of the device.
The NE5532 is a dual operational amplifier. It contains two independent op-amps in a single 8-pin package, making it suitable for stereo audio circuits or dual-channel applications. Each op-amp can use independently for different signal paths, such as left and right channels in audio systems. This dual configuration makes it a cost-effective and space-saving solution for audio preamps, mixing circuits, and other applications requiring two op-amps in a single package.
The NE5532 and NE5534 are similar, but there are some key differences. The NE5532 is a dual op-amp, containing two separate op-amps in one package, while the NE5534 is a single op-amp. The NE5534 typically offers slightly higher performance of slew rate, output drive, and bandwidth, making it suitable for higher-demand applications. However, the NE5532 often prefer in stereo systems or dual-channel circuits as its dual configuration, while use the NE5534 when only need one op-amp.
The NE5532 op amp remains a go-to choice for high-performance audio and signal processing applications. With its low noise, high output-drive capability, and versatility, it continues to be one of the most popular op-amps use in Hi-Fi systems, pro audio equipment, and instrumentation. Whether you are designing a preamp, audio filter, or signal amplifier, the NE5532 provides the precision and reliability required for high-quality performance.
1. NE5534 Op-Amp: Specifications, Applications, and Datasheet
2025-05-29
2025-05-06
2025-06-05
2025-09-04
2025-05-14
2025-04-23
2025-07-28
2025-08-17
2025-05-17
2025-05-21