The PAM8610 audio amplifier IC is a compact stereo Class-D power amplifier designed for high-efficiency audio systems. It can deliver 10W of output power per channel while maintaining low distortion and minimal heat generation.
Because of its high efficiency, simple circuit design, and small size, this chip widely use in multimedia speakers, LCD TVs, DIY amplifier modules, and portable audio systems. The device integrates PWM modulation technology and requires only a few external components, helping designers reduce cost and PCB space.
This article explains the PAM 8610 amplifier, including its pinout, features, amplifier board specifications, circuit operation, advantages, applications, and comparisons with similar audio amplifier chips.
5. PAM8610 Amplifier Circuit Diagram
6. Audio Output with the PAM8610 Amplifier
7. Advantages of Using the PAM8610 Amplifier
11. Frequently Asked Questions [FAQ]

The PAM 8610 audio amplifier IC is a high-efficiency stereo Class-D audio power amplifier designed for compact and low-power audio systems. It is capable of delivering 10 watts of output power per channel, making it suitable for driving small to medium speakers in multimedia devices and portable audio equipment. Because it uses Class-D switching technology, the amplifier achieves high efficiency—often above 90%, which reduces power loss and heat generation compared with traditional linear amplifiers.
One of the key features of this device is its integrated DC volume control, which provides 32 adjustable volume steps ranging from +32 dB to −75 dB. This built-in control allows designers to adjust the audio level digitally without the need for an external analog potentiometer. The amplifier also offers low total harmonic distortion plus noise (THD+N) of around 0.1%, ensuring clear and accurate sound reproduction.
The chip design with low electromagnetic interference (EMI) and good power supply rejection ratio (PSRR), which helps maintain stable audio performance even when the power supply contains noise or fluctuations. It operates from a 7V to 15V DC power supply, with 12V commonly used in amplifier modules.
Another advantage of this amplifier is that it requires only a small number of external components, helping reduce circuit complexity, manufacturing cost, and PCB space. The device package in a compact 40-pin QFN package measuring 6mm × 6mm, making it ideal for space-constrained audio applications.
The PAM 8610 is 40-pin QFN package measuring 6mm × 6mm. Each pin performs a specific function related to audio input, power supply, control signals, or speaker output.

Pin Number | Pin Name | Description |
1 | RINN | Right channel negative input |
2 | RINP | Right channel positive input |
3 | AVDD | Analog power supply |
4 | VREF | Reference voltage |
5 | VOLUME | Volume control input |
6 | REF GND | Reference ground |
7 | AGND1 | Analog ground |
8 | FADE | Fade control |
9 | LINP | Left channel positive input |
10 | LINN | Left channel negative input |
11, 20 | PGNDL | Power ground (left channel) |
12, 19 | PVCCL | Power supply (left channel) |
13, 14 | LOUTN | Left channel negative output |
15 | BSLN | Bootstrap left negative |
16 | BSLP | Bootstrap left positive |
17, 18 | LOUTP | Left channel positive output |
21 | VCLAMPL | Clamp voltage left |
22 | COSC | Oscillator capacitor |
23 | ROSC | Oscillator resistor |
24, 28 | AGND | Analog ground |
25 | MUTE | Mute control |
26 | AVCC | Analog supply |
27 | V2P5 | 2.5V reference |
29 | SD | Shutdown control |
30 | VCLAMPR | Clamp voltage right |
31, 40 | PGNDR | Power ground right |
32, 39 | PVCCR | Power supply right |
33, 34 | ROUTP | Right channel positive output |
35 | BSRP | Bootstrap right positive |
36 | BSRN | Bootstrap right negative |
37, 38 | ROUTN | Right channel negative output |
Many ready-made amplifier modules simplify the pin connections for easy use in electronic projects.

Pin Name | Function |
R_IN | Right audio input |
GND | Ground |
L_IN | Left audio input |
L− | Left speaker negative |
L+ | Left speaker positive |
+12V | Power supply input |
SW1 | Control switch |
SW2 | Control switch |
R+ | Right speaker positive |
R− | Right speaker negative |
These simplified connections make the amplifier board suitable for DIY audio amplifiers and small speaker systems.
Output Power: The IC can deliver 10W per channel into an 8Ω load at a 13V supply with 10% THD. This output capability allows the amplifier to drive small speakers effectively in stereo audio systems such as multimedia speakers, LCD TVs, and portable audio devices.
Low Noise Performance: The amplifier provides low noise levels of about −90 dB, which helps ensure clear sound reproduction with minimal background noise. This characteristic is important in audio applications where require high signal clarity.
High Efficiency: Thanks to its Class-D architecture, the device achieves over 90% efficiency, significantly reducing heat generation and power consumption compared with traditional linear amplifiers. Because of this high efficiency, most amplifier modules do not require large heat sinks.
Volume Control: The chip includes a 32-step DC volume control with a wide adjustment range from −75 dB to +32 dB. This feature enables precise digital control of audio levels without using external potentiometers.
Protection Functions: The amplifier integrates several protection mechanisms, including over-current protection, thermal shutdown protection, and short-circuit protection, helping prevent damage during abnormal operating conditions.
Power Management: Additional functions such as shutdown, mute, and fade control allow designers to manage power consumption and avoid unwanted noise during power transitions.
Low Distortion: The amplifier offers low THD+N, ensuring accurate sound reproduction with minimal signal distortion.
Low Power Consumption: With low quiescent current, the device is suitable for energy-efficient audio systems and battery-powered equipment.
Noise Reduction: Built-in pop noise suppression minimizes unwanted clicks or pops when the amplifier powers on or off.
Compact Package: The device is available in a thin 40-pin QFN package measuring 6 mm × 6 mm, which helps reduce PCB space in compact electronic products.
RoHS Compliance: The package is Pb-free and RoHS-compliant, meeting modern environmental and manufacturing standards.

Power Supply: The PAM 8610 audio amplifier board operates with a DC supply voltage from 7V to 15V, while 12V / 2A is generally recommended for stable operation. This voltage range allows the module to power by common DC adapters, battery packs, or switching power supplies used in small audio systems.
Output Power: The module provides 10W+10W stereo output when connected to 8Ω speakers, and the output can reach 15W+15W with a 4Ω load. This makes the board suitable for driving bookshelf speakers, multimedia speaker systems, or DIY audio projects requiring moderate power output.
High Efficiency: Using Class-D PWM modulation technology, the board achieves efficiency greater than 90%. High efficiency significantly reduces heat generation during operation, allowing the amplifier to function without a large heat sink, which keep the module compact and lightweight.
Audio Performance: The amplifier offers good audio performance with a signal-to-noise ratio of about 86 dB and a total harmonic distortion of around 0.1% at 5W and 1 kHz. Its frequency response range from 20 Hz to 20 kHz ensures accurate reproduction of both low and high audio frequencies.
Electrical Characteristics: The module features low shutdown current of approximately 4 µA and a quiescent current of about 20 mA, making it suitable for energy-efficient audio devices. The input impedance is typically 15 kΩ, and the board supports speaker loads from 4Ω to 8Ω.
Board Design: The amplifier board uses an official reference circuit design, ensuring stable operation and reliable performance. The module integrates over-current protection, over-temperature protection, and short-circuit protection to protect both the amplifier and connected speakers.
Compact Size: The board has a small form factor of about 30mm × 25mm × 2.5mm and weighs only around 3 grams, making it ideal for compact electronic devices and embedded audio systems.
Application Board Function: Many amplifier boards include an SW control switch. When short the SW pins , can turn off the amplifier, allowing convenient power control in audio system designs.
Parameter | Specification |
Amplifier Chip | PAM 8610 |
Channel Type | Dual Channel (Stereo) |
Supply Voltage | DC 7V – 15V |
Recommended Voltage | DC 12V / 2A |
Output Power | 10W × 2 (8Ω), 15W × 2 (4Ω) |
Efficiency | > 90% |
Shutdown Current | 4 µA |
Quiescent Current | 20 mA |
Signal-to-Noise Ratio | 86 dB |
Total Harmonic Distortion | 0.1% (5W, 1kHz, 8Ω) |
Frequency Response | 20Hz – 20kHz |
Input Impedance | 15 kΩ |
Output Impedance | 4Ω – 8Ω |
Working Mode | Class-D (PWM modulation) |
Recommended Speaker | 10W – 100W |
Board Size | 30 mm × 25 mm × 2.5 mm |
Weight | About 3 g |

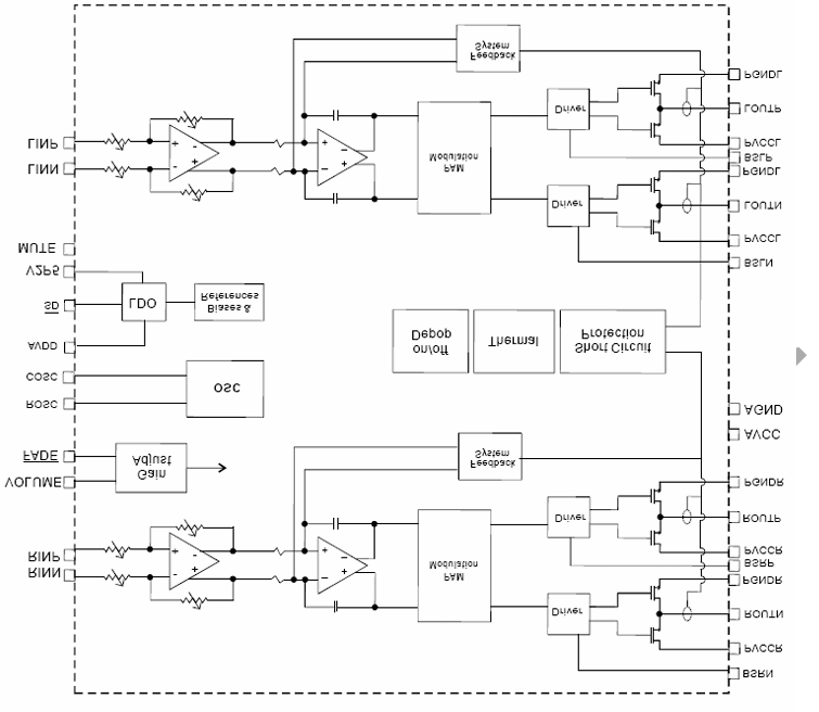
The chip uses PWM switching technology to amplify audio signals efficiently while reducing power dissipation.
Audio Output: The PAM 8610 IC provides clear and powerful stereo sound suitable for small and medium audio systems. With a 10W per channel output capability, the amplifier can efficiently drive 4Ω or 8Ω speakers while maintaining stable performance.
Sound Quality: The amplifier features low total harmonic distortion (around 0.1%) and low noise levels, helping produce clean and accurate audio reproduction. Its wide frequency response from 20Hz to 20kHz ensures that both low bass and high-frequency sounds are reproduced effectively, making it suitable for multimedia speakers, portable audio players, and home audio projects.
High Efficiency: The audio amplifier chip uses Class-D amplification technology, allowing efficiency to exceed 90%. This greatly reduces power loss and heat generation, so most modules can operate without a large heat sink.
Compact Design: The amplifier requires few external components, helping designers reduce circuit complexity, manufacturing cost, and PCB space. Its small 40-pin QFN package (6 mm × 6 mm) also makes it suitable for compact electronic devices.
Reliable Protection: The chip integrates over-current, thermal, and short-circuit protection, improving system reliability. These features make the amplifier a practical solution for DIY speakers, multimedia audio systems, and portable sound devices.
Consumer Electronics: The audio amplifier circuit commonly use in flat monitors and LCD TVs, where it amplifies audio signals to drive internal speakers. Its high efficiency and compact design make it suitable for slim electronic devices with limited space.
Multimedia Audio Systems: Widely use in multimedia speaker systems, providing clear stereo sound for computers, laptops, and home entertainment equipment.
Entertainment Devices: Also found in DVD players and game machines, where it helps enhance audio output for better entertainment experiences.
Portable Audio Equipment: Other applications include boom boxes and portable speakers, where efficient power usage and strong output are important.
Musical Devices: In addition, can use in electronic musical instruments and small audio amplifiers, providing reliable sound amplification in compact systems.
Can use several audio amplifier chips as alternatives to the PAM 8610 , depending on the required output power, efficiency, and circuit design. Two commonly mentioned equivalents are the PAM8403 and the TDA7297.
PAM8403: The PAM 8403 is a compact Class-D stereo amplifier capable of delivering about 3W per channel. It operates with a lower supply voltage and widely use in small portable speakers, USB audio devices, and battery-powered equipment. Although its output power is lower than PAM8610, it offers high efficiency and simple circuit design.
TDA7297: The TDA 7297 is a dual bridge audio power amplifier designed for higher power applications. It can provide larger output power compared with many small Class-D amplifiers and often use in home speaker systems or small stereo amplifiers. However, it typically has lower efficiency and may require a heat sink.
Choosing between these alternatives depends on the required power level, power supply voltage, and system size
The PAM 8610 and the TPA3110D2 are both popular Class-D audio power amplifiers, but they differ in output power, operating voltage, and protection features. Both devices design for efficient audio amplification in speaker systems, multimedia devices, and home audio equipment.
PAM8610 Overview: The PAM 8610 is a 10W per channel stereo Class-D amplifier that operates with a 7V–15V supply voltage. It includes 32-step DC volume control, low THD+N, and requires few external components. Because of its compact design and high efficiency, widely use in small amplifier boards and portable audio devices.
TPA3110: The TPA3110D2 is a 15W per channel Class-D amplifier designed to drive bridged stereo speakers as low as 4Ω. It uses advanced EMI suppression technology, allowing inexpensive ferrite bead filters at the outputs while still meeting EMC requirements.
TPA 3110 Protection Features: The amplifier integrates SpeakerGuard™ protection circuitry, which includes an adjustable power limiter and a DC detection circuit. The power limiter allows users to set a virtual voltage rail to control current through the speakers, while the DC detection circuit shuts down the output stage if abnormal signals are detected. The chip also provides short-circuit protection and thermal protection with auto recovery.
Efficiency Comparison: Both amplifiers offer high efficiency around 90%, which reduces heat generation and usually eliminates the need for large heat sinks during normal operation.
Feature | PAM 8610 | TPA3110D2 |
Output Power | 10W × 2 | 15W × 2 |
Efficiency | >90% | ~90% |
Volume Control | Built-in DC control | External control |
Supply Voltage | 7V – 15V | 8V – 26V |
Protection | Basic protections | Advanced protection |
The official datasheet provides detailed technical information. Engineers typically review the datasheet before designing circuits using this amplifier.
The PAM8610 operates within a 7V to 15V DC supply range. Most amplifier boards recommend 12V power input because it provides stable operation and allows the chip to deliver its rated stereo output power.
Compared with the PAM8403, the PAM 8610 generally provides higher output power and stronger dynamic range. This allows clearer sound at higher volume levels while maintaining relatively low distortion in stereo audio applications.
The PAM 8610 typically operates from 7V to 15V DC. Many modules recommend a 12V supply, which balances efficiency, output power, and stable performance when driving 4Ω or 8Ω speakers.
The PAM8610 can deliver about 10W per channel into an 8Ω load at 13V. When connected to 4Ω speakers, the amplifier may reach approximately 15W per channel, depending on supply voltage and operating conditions.
Yes, the PAM 8403 audio amplifier IC is a popular 3W stereo Class-D amplifier widely used in portable speakers and small audio devices. It offers high efficiency, simple circuit design, and good sound quality for low-power applications.
In many cases, yes. The PAM 8610 IC provides higher output power and better headroom than the PAM8403, which can produce clearer sound and less distortion when driving larger speakers.
FM interference can be reduced by improving PCB layout, using proper grounding, adding decoupling capacitors near power pins, shortening signal traces, and installing output filters or ferrite beads to suppress high-frequency switching noise.
The PAM 8610 typically has a quiescent current around 20mA during normal operation. When placed in shutdown mode, the current consumption can drop to approximately 4µA, helping improve overall power efficiency.
The PAM8610 audio amplifier IC is a compact and efficient stereo Class-D audio amplifier designed for small and medium-power sound systems. With the ability to deliver 10W per channel output, high efficiency above 90%, and low distortion, it provides reliable and clear audio performance for many electronic applications.
Thanks to its wide operating voltage range of 7V–15V, built-in 32-step DC volume control, and integrated protection features, the amplifier simplifies circuit design while maintaining stable operation. Its small 40-pin QFN package and minimal external component requirement also help reduce PCB space and system cost.
Because of these advantages, the PAM 8610 widely use in multimedia speakers, LCD TVs, DIY audio amplifiers, and portable audio devices. For designers looking for a balance between power, efficiency, and compact size, this amplifier remains a practical solution for modern audio electronics.
Read More:
1. TB6612 IC and Arduino TB6612FNG Motor Driver Module Guide
2025-05-06
2025-05-29
2025-06-05
2025-09-04
2025-05-14
2025-04-23
2025-07-28
2025-08-17
2025-05-17
2025-05-21