The PIC12F675 microcontroller is a compact yet capable solution for a wide range of embedded applications, especially where space, cost, and power efficiency matter. Developed by Microchip Technology, this 8-pin, Flash-based 8-bit CMOS microcontroller combines a simple architecture with powerful built-in features such as analog-to-digital conversion, timers, and internal oscillator options.
Despite its small footprint, the PIC 12F675 widely use in consumer electronics, industrial control systems, and DIY electronics projects. Its ease of programming, low power consumption, and reliable performance make it a popular choice for both beginners and experienced engineers.
In this guide, we’ll explore everything you need to know about the PIC 12F675—from its pinout and features to applications, circuit design, and development tools—helping you understand how to effectively use this versatile microcontroller in your projects.
1. Overview of the PIC12F675 Microcontroller
3. Features and Specifications of the PIC12F675 Microcontroller
4. Alternatives IC to PIC12F675 Microcontroller
6. Functions of Timers in the PIC12F675 Microcontroller
7. Microchip PIC12F675 Applications
8. PIC12F675 Development Board
9. Frequently Asked Questions [FAQ]

The PIC 12F675 is a compact, cost-effective 8-bit microcontroller developed by Microchip Technology. It belongs to the family of 8-pin, Flash-based CMOS microcontrollers, designed for simple control applications where space, power consumption, and cost are critical factors.
This component build on a high-performance RISC architecture, allowing it to execute instructions quickly with minimal power usage. Despite its small size, the PIC 12F675 integrates several useful peripherals such as ADC, timers, comparators, and EEPROM memory, making it suitable for embedded systems, automation, and consumer electronics.
With its internal oscillator, the chip eliminates the need for external clock components in many designs, simplifying circuit layout and reducing cost. Its low power consumption and sleep mode make it particularly useful in battery-powered devices.
The circuit comes in an 8-pin package, with multifunctional GPIO pins.

Pin Number | Pin Name |
1 | VDD |
2 | GP5/T1CK1/OSC1/CLKIN |
3 | GP4/AN3/T1G/OSC2/CLKOUT |
4 | GP3/MCLR/VPP |
5 | GP2/T0CKI/AN2/INT/COUT |
6 | GP1/AN1/CIN-/VREF/ICSPCLK |
7 | GP0/AN0/CIN+/ICSPDAT |
8 | VSS |
Pin Function Overview
VDD (Pin 1): Positive power supply input (2.0V–5.5V)
VSS (Pin 8): Ground reference
GP0 (Pin 7): General-purpose I/O, analog input (AN0), comparator input (CIN+), ICSP data line
GP1 (Pin 6): I/O pin, analog input (AN1), comparator input (CIN−), voltage reference, ICSP clock
GP2 (Pin 5): I/O pin, Timer0 clock input, analog input (AN2), external interrupt, comparator output
GP3 (Pin 4): Input-only pin, used for reset (MCLR) and programming voltage (VPP)
GP4 (Pin 3): I/O pin, analog input (AN3), Timer1 gate input, oscillator output
GP5 (Pin 2): I/O pin, Timer1 clock input, oscillator input, external clock input
This flexible pin configuration allows the PIC 12F675 to support multiple functions such as digital I/O, analog sensing, timing, and in-circuit programming within a small package.
The Microcontroller provides a wide range of capabilities in a small 8-pin package, making it suitable for compact embedded applications.
Only require 35 instructions to program the device, which simplifies development and reduces learning time. Most instructions execute in a single cycle, except for branch operations, allowing efficient processing. The controller supports operating speeds from DC up to 20 MHz with an instruction cycle as fast as 200 ns. It includes interrupt capability, an 8-level deep hardware stack, and supports direct, indirect, and relative addressing modes.
The PIC 12F675 supports both internal and external oscillator configurations. It includes a precision 4 MHz internal oscillator factory-calibrated to ±1%, while also allowing external crystal or resonator connections for higher accuracy. The device features a fast wake-up time of approximately 5 µs from sleep mode at 3.0V. It also includes a power-saving sleep mode and operates within a wide voltage range of 2.0V to 5.5V, making it suitable for various environments, including industrial applications.
Additional reliability features include Power-on Reset (POR), Power-up Timer (PWRT), Oscillator Start-up Timer (OST), and Brown-out Detection (BOD). A Watchdog Timer (WDT) with an independent oscillator ensures stable operation. Multiplex the MCLR pin for reset and input functions. The microcontroller also supports interrupt-on-pin change, programmable weak pull-up resistors, and code protection mechanisms.
In memory endurance, the Flash-memory supports up to 100,000 write cycles, while EEPROM can handle up to 1,000,000 write cycles. Data retention exceeds 40 years, ensuring long-term reliability.
Designed for energy-efficient applications. It features an extremely low standby current of about 1 nA at 2.0V. During operation, it consumes approximately 8.5 µA at 32 kHz and 100 µA at 1 MHz. The Watchdog Timer consumes only around 300 nA, while the Timer1 oscillator current is about 4 µA at 32 kHz. These characteristics make it highly suitable for battery-powered and low-power designs.
The key technical specifications of the 12F675 Microcontroller summarize in the table below:
Parameter | Specification |
Core Architecture | 8-bit RISC CPU |
Program Memory | 1.75 KB Flash |
Data EEPROM | 128 Bytes |
RAM | 64 Bytes |
Operating Voltage | 2.0V – 5.5V |
Operating Frequency | DC to 20 MHz |
Instruction Cycle Time | 200 ns (at 20 MHz) |
GPIO Pins | 6 (GP0–GP5) |
ADC Resolution | 10-bit |
ADC Channels | 4 (AN0–AN3) |
Timers | 2 (Timer0 – 8-bit, Timer1 – 16-bit) |
Comparator | 1 module |
Interrupts | Yes |
Oscillator Type | Internal (4 MHz) / External |
Watchdog Timer | Yes |
Power Consumption | Low-power operation |
Flash Endurance | 100,000 write cycles |
EEPROM Endurance | 1,000,000 write cycles |
Data Retention | > 40 years |
Operating Temperature | -40°C to +125°C |
Package Type | 8-pin DIP, SOIC,DFN |
If the PIC 12F675 does not meet your requirements, consider these alternatives:
PIC12F629: A close alternative with similar architecture and pin compatibility. It is suitable for applications that do not require ADC functionality and offers an easy migration path from the PIC 12F675.
PIC16F505: Provides slightly different memory configuration and additional flexibility, making it useful for general-purpose embedded designs.
PIC16F676: Includes enhanced analog features, making it ideal for sensor-based and analog signal processing applications.
PIC16F72: Offers more program memory and peripherals, suitable for applications requiring expanded functionality.
PIC16F876A: A higher-end option with significantly larger Flash memory and more I/O pins, designed for complex embedded systems.
PIC16F886: Provides advanced peripherals and increased memory capacity, making it suitable for feature-rich applications.
PIC16F873A: A balanced mid-range microcontroller offering good performance, memory size, and peripheral support.
PIC12F508: A simple and low-cost option with limited memory, ideal for basic control tasks.
PIC12F683: An upgraded version with more memory and improved peripherals, available in compact 8-pin packages such as SOIC, making it a strong replacement choice.

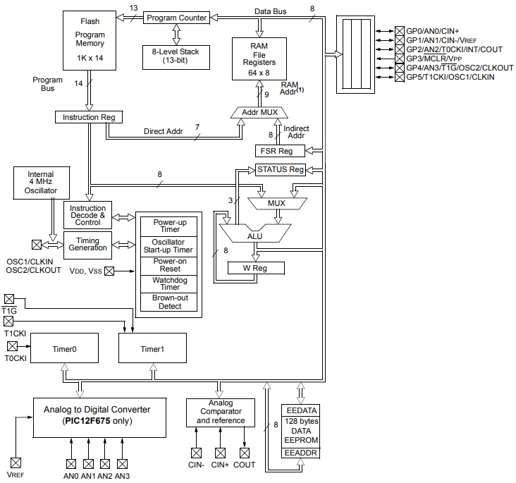
The PIC 12F675 is a compact 8-bit microcontroller from Microchip designed for low-power embedded systems. Its circuit diagram is actually a block-level internal architecture showing how key modules work together inside the chip rather than external wiring.
At the core is a simple CPU consisting of an ALU, W register, and STATUS register. The ALU handles arithmetic and logic operations, while the W register acts as the main working accumulator. Program execution control by Flash program memory (1K × 14-bit), a program counter, and an instruction decode unit that fetches and executes instructions sequentially. A small hardware stack supports subroutine calls and interrupts.
Data processing manage through 64 bytes of RAM file registers connected via an 8-bit internal data bus. Indirect addressing through the FSR register allows flexible memory access.
The internal 4 MHz oscillator provides the system clock, ensuring synchronized operation across CPU, timers, and peripherals. Built-in protection features like POR, WDT, and brown-out reset improve reliability in unstable power conditions.
On the I/O side, GP0–GP5 pins are multiplexed for digital I/O, analog input, and special functions. The chip also integrates a 10-bit ADC for sensor data conversion and an analog comparator for voltage comparison tasks.
Timers (Timer0) enable precise delays and event counting, while 128 bytes of EEPROM store non-volatile data such as settings or calibration values.
Overall, the PIC12F675 architecture combines CPU, memory, analog modules, and peripherals into a highly integrated, efficient microcontroller suitable for compact embedded applications.
The timers inside the PIC 12F675 play a key role in controlling time-based operations, generating delays, counting events, and supporting real-time system functions. Although the device is small, its Timer0 module provides flexible timing control that widely use in embedded applications.
Timer0 is an 8-bit timer/counter that can operate using either the internal instruction clock or an external signal applied to the T0CKI pin. When driven by the internal clock, it functions as a precise time delay generator. When used with an external input, it can count pulses or events, making it useful for frequency measurement and event tracking.
One of the most common uses of Timer0 is generating accurate delays without blocking the main program loop. This allows the microcontroller to perform other tasks while timing continues in the background. It also widely use in periodic interrupt generation, where the timer overflows and triggers an interrupt service routine.
Timers are essential for waveform generation, blinking LEDs at precise intervals, debouncing switches, and implementing software-based PWM signals. In more advanced applications, Timer0 helps in measuring time intervals between signals, which is important in sensor interfacing and communication protocols.
Overall, the timer function enhances the efficiency of the PIC 12F675 by enabling accurate timing control, multitasking behavior, and improved system responsiveness in embedded designs.
The component widely use in compact and cost-sensitive embedded systems because its small size, low power consumption, and integrated analog and digital features. Commonly find in applications where not require a full-featured microcontroller, but reliable control and sensing are important.
One major application is in sensor-based systems. With its built-in 10-bit ADC, the circuit can directly read analog signals from temperature sensors, light sensors, and potentiometers. This makes it suitable for environmental monitoring devices, battery voltage monitors, and simple data acquisition systems.
It also widely use in consumer electronics, such as small appliances, LED lighting controls, and toy electronics. In these products, the microcontroller manages timing, switching, and basic logic control functions.
In industrial and automation projects, the component use for simple control tasks like relay switching, motor start-stop control, and signal monitoring. Its internal oscillator and watchdog timer improve reliability in unattended operation.
Another important application is in DIY and educational projects. Beginners often use it to learn microcontroller programming, GPIO control, and ADC interfacing because its simple architecture.
It also use in low-power portable devices because it can operate efficiently on minimal energy, making it suitable for battery-powered systems.
Overall, the PIC12F675 is a versatile microcontroller for simple yet reliable embedded applications across consumer, industrial, and educational fields.
The data sheet form the Microchip Technology, include detailed electrical characteristics, programming instructions, and application circuits.

The PIC 12F675 development board design to simplify learning, testing, and prototyping of embedded systems. It provides a complete hardware platform that brings out all essential features of the microcontroller, making it suitable for beginners as well as advanced users.
The board includes an external reset button for restarting the system during debugging or testing. Two user-programmable push buttons connect to GP2 and GP5 pins, which can configure as normal input switches or external interrupt triggers, allowing flexible control experiments. It also features one power indicator LED and two user-controlled LEDs for output testing and visual feedback.
For power supply, the board supports an external 5V DC input, typically through a USB cable or programming tool. A built-in power switch allows easy control of the system. The ICSP (In-Circuit Serial Programming) interface supports common programmers such as K150, PICkit2, PICkit3, ICD2, and ICD3, enabling direct program uploading without removing the chip.
All GPIO pins of the microcontroller are broken out through headers, allowing full access for expansion. By removing jumper caps, users can isolate onboard circuits and connect external modules freely for advanced experiments.
The software environment typically uses MPLAB IDE along with PIC C compiler (PICC). Provide example programs in C language, covering common functions like I/O control, interrupts, and ADC usage.
Overall, this development board offers a practical and flexible platform for learning and developing real-world embedded applications.
Program the PIC 12F675 using ICSP (In-Circuit Serial Programming). A programmer like PICkit2, PICkit3, or K150 is connected to the ICSP pins. Write code in MPLAB IDE using PIC C or assembly, compiled, then uploaded directly into flash memory for execution.
The price of the PIC12F675 typically ranges from $0.50 to $2.50 USD per unit depending on quantity, supplier, and package type. In bulk orders, the cost can be lower. Development boards or kits containing the chip may cost more because additional components and programming support features.
The PIC12F675 use in low-power embedded systems such as sensor interfaces, LED control, simple automation, and consumer electronics. It features ADC, timers, and GPIO pins, making it suitable for temperature monitoring, voltage detection, and small control applications where compact size and low cost are important.
Yes, PIC microcontrollers like the PIC12F675 are still widely used today. Although newer ARM-based MCUs exist, PIC devices remain popular in simple, low-cost, and low-power applications. They are common in industrial controls, appliances, and educational projects because their reliability, ease of use, and long-term availability.
The PIC12F675 remains a practical choice for simple and cost-sensitive embedded designs. Despite its compact architecture, it integrates essential features like ADC, timers, EEPROM, and GPIO, making it capable of handling both analog and digital tasks efficiently.
Its low power consumption, internal oscillator, and built-in safety features such as watchdog timer and power-on reset ensure stable operation in real-world environments. This makes it suitable for continuous or battery-powered systems.
Even with the availability of more advanced microcontrollers, still widely use the PIC12F675 in industrial control, consumer electronics, sensor modules, and educational projects. Its simplicity allows beginners to learn microcontroller programming while still being powerful enough for practical applications.
Overall, the PIC 12F675 offers a balanced combination of functionality, reliability, and affordability, making it a long-standing and dependable solution in embedded system design.
1. ATMEGA32 Microcontroller: Pinout, Features and Alternative
2025-05-29
2025-05-06
2025-06-05
2025-09-04
2025-05-14
2025-04-23
2025-07-28
2025-08-17
2025-05-17
2025-05-21