The TL072 operational amplifier is a widely used dual JFET-input op-amp known for its low noise, high slew rate, and excellent audio performance. It has remained popular for decades in analog signal conditioning, audio preamplification, and industrial control circuits. Modern variants further enhance its performance while maintaining compatibility with classic TL07x designs.
1. What Is the TL072 Operational Amplifier?
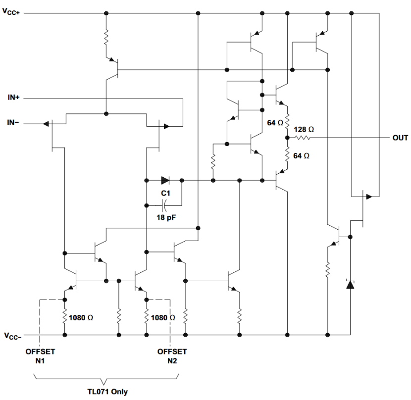
2. TL072 Pinout, CAD Models and Functional Block Diagram
3. TL072 Op-Amp Technical Specifications
5. TL072 Amplifier Circuit Key Features
6. TL072 Equivalent and Alternative ICs
7. Employing IC TL072 for Audio Pre-Amplification
8. Parts with TL072 Opamp Similar Specifications
10. Frequently Asked Questions [FAQ]

The TL 072 operational amplifier is a widely used dual JFET-input op-amp designed for low-noise, high-speed analog signal processing. It integrates two independent operational amplifiers in a single package, making it suitable for compact and cost-effective circuit designs. Thanks to its JFET input stage, the TL 072 offers high input impedance and extremely low input bias current, which helps preserve signal integrity when interfacing with high-impedance sources such as sensors, microphones, and audio pickups.
The TL072 belongs to the classic TL07x family, known for reliable performance in audio, instrumentation, and industrial electronics. It features a high slew rate, low offset voltage, and low total harmonic distortion, enabling accurate amplification of fast-changing and low-level signals. These characteristics make it especially popular in professional audio equipment, including mixers, pre-amplifiers, tone control circuits, and active filters.
Modern versions such as the TL07xH series build on the original design by offering improved offset voltage, extended common-mode input range, enhanced ESD protection, and operation over a wide temperature range. With wide supply voltage compatibility and built-in output protection, the TL 072 remains a dependable choice for both legacy designs and new analog applications requiring stable, low-noise amplification.
The TL 072 contains two independent operational amplifiers in a single 8-pin package.

Pin No. | Name | Description |
1 | 1OUT | Output of Op-Amp 1 |
2 | 1IN− | Inverting input of Op-Amp 1 |
3 | 1IN+ | Non-inverting input of Op-Amp 1 |
4 | VCC− | Negative supply voltage |
5 | 2IN+ | Non-inverting input of Op-Amp 2 |
6 | 2IN− | Inverting input of Op-Amp 2 |
7 | 2OUT | Output of Op-Amp 2 |
8 | VCC+ | Positive supply voltage |


General Information
Parameter | Specification |
Op-Amp Type | Dual JFET-input operational amplifier |
Number of Channels | 2 |
Input Stage | JFET |
Manufacturers | Texas Instruments, STMicroelectronics |
Supply Voltage Range | ±2.25 V to ±20 V (dual), 4.5 V to 40 V (single) |
Input Offset Voltage | 3 mV |
Input Offset Voltage Drift | 2 µV/°C (typical) |
Input Bias Current | Low (JFET input) |
Slew Rate | 13 V/µs |
Gain Bandwidth Product | ~5.25 MHz |
Input Noise Voltage | 37 nV/√Hz at 1 kHz (typical) |
Total Harmonic Distortion (THD) | 0.003% (typical) |
Output Short-Circuit Protection | Yes |
Quiescent Current | 940 µA per channel (typical) |
Common-Mode Input Range | Includes VCC+ |
Operating Temperature Range | 0°C to +70°C Standard |
ESD Protection | 1.5 kV (HBM) |
Package Options | PDIP, SOIC, SOP, TSSOP |
The operational amplifier manufacture by Texas Instruments and STMicroelectronics, two well-established semiconductor companies known for consistent quality and long-term product support. Both manufacturers offer the chip in multiple package options, including PDIP, SOIC, SOP, and TSSOP, making it suitable for through-hole and surface-mount designs. Their devices are fully pin-compatible and follow industry-standard specifications, with comprehensive datasheets, application notes, and CAD models available to support professional, industrial, and audio applications.
Package Code | Description |
PDIP | 8-pin dual in-line through-hole package with a 0.300″ (7.62 mm) body width. This package is easy to solder by hand, compatible with IC sockets and breadboards, and commonly used for prototyping, testing, and educational circuits. |
SOIC (D) | Standard 8-pin surface-mount package with a 0.154″ (3.90 mm) body width. It offers a compact footprint and widely use in consumer, industrial, and audio PCBs where require moderate board space and automated assembly. |
SOP (PS) | 8-pin surface-mount package with a wider 0.209″ (5.30 mm) body width. The increased width provides improved mechanical stability and solder joint strength, making it suitable for industrial and high-reliability designs. |
TSSOP (PW) | Thin 8-pin surface-mount package featuring a 0.173″ (4.40 mm) body width. Designed for high-density layouts, it is ideal for compact and modern electronic products where PCB space is limited. |
In solar power installations, use the circuit in string and central inverters for voltage sensing, current monitoring, and feedback control circuits. Its low offset voltage and stable performance help improve measurement accuracy and overall inverter efficiency, even in electrically noisy power environments.
In AC motor drives and servo drive control systems, apply the chip in signal conditioning and power-stage modules. It accurately amplifies feedback signals from sensors and encoders, supporting smooth speed, position, and torque control in industrial automation.
For single-phase uninterruptible power supply (UPS) systems, use in control loops, error amplifiers, and monitoring circuits to ensure stable output voltage and reliable power transfer during mains failure.
In three-phase UPS systems, the component supports precise signal amplification and regulation control, contributing to balanced phase operation and dependable power delivery in critical infrastructure.
In professional audio mixers, the TL 072 is popular for preamplification, buffering, and tone control stages, delivering low distortion and clean audio reproduction.
In battery testing and measurement equipment, the circuit provides accurate signal conditioning and buffering for voltage and current measurements, ensuring consistent and repeatable test results.
The TL 072 offers a high slew rate of 20 V/μs (TL07xH, typical), allowing it to accurately amplify fast-changing signals. This makes it well suited for audio, waveform processing, and dynamic control circuits.
With a typical input offset voltage of 1 mV, the TL 072 delivers precise amplification and minimizes DC errors in sensitive analog applications.
An offset drift of only 2 μV/°C ensures stable performance over temperature variations, improving long-term accuracy.
The device consumes approximately 940 μA per channel (typical), making it suitable for power-conscious designs without sacrificing performance.
The common-mode input voltage range includes VCC+, enabling flexible operation in single-supply and dual-supply configurations.
Thanks to its JFET input stage, the TL 072 exhibits low input currents, ideal for high-impedance signal sources.
With a noise density of 37 nV/√Hz at 1 kHz (typical), it supports low-noise audio and precision analog circuits.
Built-in protection enhances reliability and prevents device damage under fault conditions.
A typical THD of 0.003% ensures clean signal amplification, especially in audio applications.
The TL072 operates over ±2.25V to ±20V or 4.5V to 40V (single supply), providing excellent design flexibility.
LM358: The LM358 is a dual general-purpose op-amp suitable for single-supply and cost-sensitive designs. It has a lower slew rate and higher noise than the TL 072 but can use in less demanding analog and control applications.
NE5532: A low-noise, high-performance dual op-amp ideal for professional audio and high-fidelity circuits. It provides superior audio quality with lower distortion, making it a popular alternative for TL 072 in audio equipment.
OPA827: A precision, low-noise operational amplifier offering high accuracy and excellent DC performance. Suitable for instrumentation, medical, and precision measurement applications where stability and low offset are critical.
LT1972: A dual high-speed op-amp designed for signal conditioning, active filtering, and fast control loops. Its high slew rate and low distortion make it an alternative for TL 072 in fast analog circuits.
ADA4610-2: The ADA4610-2 is a low-noise, high-speed dual op-amp optimized for precision analog systems. Commonly use in sensor interfaces, data acquisition, and industrial control circuits as a higher-performance replacement for TL 072.
The TL 072 is an ideal choice for audio pre-amplifier circuits because of its low noise, high input impedance, and minimal distortion. Its dual JFET-input op-amps allow it to handle sensitive audio signals from microphones, electric guitars, or other high-impedance sources without degrading the sound quality.
With a high slew rate of 20 V/μs and low total harmonic distortion (0.003%), the component accurately amplifies fast-changing audio signals, preserving tonal clarity and detail. It can operate on both dual and single supply voltages, making it flexible for compact and energy-efficient audio designs.
In practical applications, use pre-amplifiers in guitar amplifiers, professional audio mixers, recording interfaces, and portable sound equipment. By buffering and amplifying weak signals before they reach the main amplification stages, the circuit ensures clean and high-fidelity audio output.
Additionally, its dual op-amp configuration allows a single IC to manage multiple channels or stereo signals, reducing component count and simplifying PCB layouts. This combination of performance and versatility makes the chip a staple in both professional and DIY audio projects.
Several operational amplifier ICs share similar electrical characteristics with the TL 072 and can be used as substitutes or alternatives in various analog, audio, and instrumentation circuits. Choosing the right part depends on factors such as packaging, availability, and manufacturer support.
TL072CP (Texas Instruments): This is the standard dual JFET-input op-amp version of the TL072. It offers the same low noise, high input impedance, and low distortion as the original TL 072, making it ideal for audio preamplifiers, signal conditioning, and general-purpose analog circuits.
TL082CPE4 (Texas Instruments): A dual JFET-input op-amp, the TL082CPE4 provides high input impedance, low offset voltage, and wide supply voltage operation. Suitable for professional audio equipment, sensor interfaces, and industrial control circuits.
TL082ACP (Texas Instruments): This dual op-amp offers low noise, high slew rate, and excellent linearity, making it compatible with circuits designed for the TL072. Often used in stereo audio applications and instrumentation where clean signal amplification is critical.
TL082IP (Texas Instruments): A surface-mount version of the TL082 series, the TL082IP has identical electrical performance to the TL072, providing flexibility for modern compact PCB designs without sacrificing noise performance or stability.
These alternatives from trusted brands ensure reliability, long-term availability, and compatibility with TL072-based designs, whether for hobbyist projects or professional-grade electronics.
Feature | TL072 | JRC 4558 |
Input Type | Dual JFET, high impedance, low bias current | Dual bipolar, lower impedance, higher bias current |
Noise | Low, 37 nV/√Hz | Moderate, ~20–25 nV/√Hz |
Slew Rate | High, 20 V/μs | Lower, 9 V/μs |
Total Harmonic Distortion (THD) | 0.003% | Higher, ~0.01–0.02% |
Bandwidth / Gain-Bandwidth Product | ~3 MHz | ~1.5 MHz |
Power Consumption | Low, 940 μA per channel | Moderate, ~5 mA per channel |
Supply Voltage | ±2.25V to ±20V or 4.5V to 40V | ±3V to ±20V |
Output Protection | Short-circuit protected | Limited or no protection |
Applications | Audio preamps, professional mixers, sensors, UPS, motor drives | Guitar pedals, vintage audio circuits, general-purpose analog |
The TL072 is a dual JFET-input operational amplifier known for its high input impedance, low input bias current, and low noise. Its high slew rate of 20 V/μs and extremely low total harmonic distortion (0.003%) make it ideal for high-fidelity audio, professional mixers, signal conditioning, sensors, and precision analog circuits. The TL 072 also features low power consumption, wide supply voltage range, and output short-circuit protection, making it suitable for modern industrial, audio, and battery-powered applications. Its wide bandwidth (~3 MHz) allows accurate amplification of fast-changing signals.
In contrast, the JRC 4558 is a dual bipolar-input op-amp with lower input impedance and higher input bias current, which makes it less suitable for high-impedance sources. Its slew rate is only 9 V/μs, and its total harmonic distortion (~0.01–0.02%) is higher than the TL072. While it performs adequately in general-purpose analog circuits, particularly favor in vintage audio equipment, guitar pedals, and DIY audio projects for its warm, classic sound. The 4558 consumes more power (~5 mA per channel) and has a narrower bandwidth (~1.5 MHz), making it less ideal for precision or high-speed applications.
In short, TL072 is modern, precise, and low-noise, whereas JRC 4558 is classic, warm-sounding, and suited for vintage audio applications.
The TL072 contains two independent operational amplifiers in a single 8-pin package. Can use each op-amp separately or together in dual-channel applications. This dual configuration allows designers to implement stereo audio circuits, differential amplifiers, or multiple signal conditioning stages using just one IC, reducing component count and simplifying PCB layout.
Use the TL 072 for audio preamplifiers, professional mixers, active filters, signal conditioning, motor drive control, UPS systems, and sensor interfaces. Its low noise, high input impedance, wide supply voltage range, and low distortion make it suitable for precision analog applications, industrial circuits, and high-fidelity audio, offering reliable and accurate amplification for a variety of electronic designs.
Yes, the NE5532 can replace the TL072 in many audio and analog circuits. A low-noise, dual op-amp with better audio performance but slightly higher power consumption. Recommended circuit verification, as input impedance, offset voltage, and slew rate differ slightly. NE5532 is particularly suitable for high-fidelity audio applications where noise and distortion must be minimized.
Yes, the JRC 4558 can sometimes replace the TL072, especially in audio circuits like guitar pedals or vintage sound applications. However, it has a lower slew rate, higher distortion, and higher input bias current. It may not perform as cleanly in precision or low-noise applications. Require careful evaluation before substitution to ensure signal quality.
For precision, ultra-low-noise, or high-speed applications, op-amps like OPA827, ADA4610-2, LT1972, or NE5532 can outperform the TL072. These alternatives offer lower offset voltage, better drift, wider bandwidth, and higher slew rates. The choice depends on the circuit: for high-fidelity audio, prefer OPA827 or NE5532, while ADA4610-2 suits precision analog and instrumentation applications.
Yes, consider the TL072 a low-noise op-amp, with a noise density of about 37 nV/√Hz at 1 kHz. Its JFET inputs help maintain clean signals, especially in high-impedance circuits like microphones, audio preamplifiers, and sensor interfaces. While not the lowest noise op-amp available, it provides excellent performance for general-purpose audio and analog applications.
The TL072 operational amplifier is a versatile, dual JFET-input op-amp offering low noise, high input impedance, wide supply voltage range, and low distortion, making it suitable for a wide range of applications from audio preamplifiers and professional mixers to industrial control and sensor interfaces. Its dual op-amp configuration, low power consumption, and high slew rate make it a reliable choice for modern analog designs.
While alternatives like NE5532, OPA827, or ADA4610-2 offer improved precision or audio performance, the TL 072 remains a cost-effective, widely available solution for both hobbyist and professional projects. Its combination of performance, flexibility, and ease of integration ensures that it continues to be a staple in analog electronics, audio systems, and signal conditioning circuits. Whether designing high-fidelity audio equipment or industrial measurement systems, the TL 072 provides a balance of reliability, efficiency, and excellent analog performance.
1. NE5532 Op Amp Datasheet, Pinout, Equivalent
2. NE5534 Op-Amp: Specifications, Applications, and Datasheet
3. LM324N Operational Amplifiers - Guide Pinout and Datasheet
2025-05-29
2025-05-06
2025-09-04
2025-06-05
2025-07-28
2025-04-23
2025-05-14
2025-08-17
2025-05-12
2025-05-21