{{cartCount}} ShoppingCart Telephone

+86-755-83225825

Email

info@orwintech.com

Skype

orwintech@outlook.com

Wechat
Orwintech Wechat
WhatsApp
Orwintech WhatsApp
Message Top
Product Catalog

TPA3116D2 Class-D Stereo Amplifier: Pinout and Module Board

2026-03-20

Share this article :

The TPA3116D2 is a highly efficient Class-D audio power amplifier widely used in modern speaker systems, Bluetooth amplifiers, and consumer audio equipment. Designed by Texas Instruments, this chip delivers high output power while maintaining low heat generation and compact circuit design. Because of its efficiency and flexible configuration, the TPA3116 D2 commonly find in DIY audio projects, home stereo systems, and portable sound systems.

This guide explains the TPA 3116D2 amplifier, including its specifications, pin configuration, applications, and comparisons with other ICs.

1. What is TPA3116D2 Class-D Stereo Amplifier?

2. TPA3116D2 Pinout and Circuit Diagram

3. TPA3116D2 Chip Specifications

4. Features

5. TPA3116D2 Applications

6. TPA3116D2 Amplifier Board (2×50W)

7. TDA7498E vs TPA3116D2

8. Frequently Asked Questions [FAQ]

TPA3116D2 Class-D Stereo Amplifier

What is TPA3116D2 Class-D Stereo Amplifier?

The TPA 3116D2 is a high-efficiency Class-D stereo audio power amplifier developed by Texas Instruments. It belongs to the TPA31xxD2 family of digital amplifier power stages designed to drive speakers with high power output while maintaining low heat generation and excellent efficiency.

This series is capable of driving speakers up to 100 W into a 2-ohm load in mono configuration, making it suitable for a wide range of consumer audio products. The family includes several variants with different power capabilities. For example, the TPA3130 D2 can deliver 2 × 15 W without requiring an external heatsink on a single-layer PCB, while the TPA3118D2 can provide 2 × 30 W into 8 Ω on a dual-layer PCB without a heatsink. For higher power applications, the TPA 3116D2 can deliver 2 × 50 W into 4 Ω when  attach a small heatsink to its PowerPAD.

A key advantage of the TPA31xxD2 series is that all devices share the same package footprint, allowing designers to use a single PCB layout while selecting different power levels depending on system requirements.

The amplifier also integrates an advanced oscillator and PLL circuit that supports multiple switching frequencies to help avoid AM radio interference. It can operate in master or slave mode, enabling synchronization of multiple amplifier devices in larger audio systems.

In addition, the chip includes comprehensive built-in protection circuits, such as short-circuit protection, thermal shutdown, overvoltage protection, undervoltage protection, and DC fault detection. When a fault occurs, the device reports the condition to the system processor, helping prevent damage during overload conditions and improving overall system reliability.

TPA3116D2 Pinout and Circuit Diagram

TPA3116D2 Pin Configuration

TPA3116D2 Pin Configuration pinout

Pin No.

Pin Name

Description

1

MODSEL

Modulation selection pin used to configure the internal modulation scheme of the amplifier.

2

SDZ

Shutdown control pin that enables or disables the amplifier to reduce power consumption.

3

FAULTZ

Fault indicator output that signals error conditions such as overheating or short circuit.

4

RINP

Right channel positive audio input for differential signal input.

5

RINN

Right channel negative audio input for differential input configuration.

6

PLIMIT

Programmable power limit pin used to control maximum output power.

7

GVDD

Gate driver power supply output for internal MOSFET gate drivers.

8

GAIN/

SLV

Used to set amplifier gain or configure the device in slave synchronization mode.

9

GND

Ground reference for internal circuitry.

10

LINP

Left channel positive audio input terminal.

11

LINN

Left channel negative audio input terminal for differential input.

12

MUTE

Mute control pin used to silence the amplifier output without shutting down the device.

13

AM2

Switching frequency configuration pin used for AM interference avoidance.

14

AM1

Frequency configuration pin for switching frequency control.

15

AM0

Another frequency configuration pin used with AM1 and AM2.

16

SYNC

Synchronization pin used to align switching frequency with other amplifiers.

17

AVCC

Analog power supply input for internal analog circuitry.

18

PVCC

Main power supply for the power output stage.

19

PVCC

Additional power supply input for the output stage.

20

BSNL

Bootstrap pin for the left channel negative output driver.

21

OUTNL

Left channel negative speaker output.

22

GND

Ground connection for power stage.

23

OUTPL

Left channel positive speaker output.

24

BSPL

Bootstrap pin for the left channel positive output driver.

25

GND

Ground reference for output stage circuitry.

26

BSNR

Bootstrap pin for the right channel negative output driver.

27

OUTNR

Right channel negative speaker output.

28

GND

Ground pin used for output stage return path.

29

OUTPR

Right channel positive speaker output.

30

BSPR

Bootstrap pin for the right channel positive output driver.

31

PVCC

Power supply input for the output stage.

32

PVCC

Additional output stage supply connection.

33

Power

PAD

Exposed thermal pad used for heat dissipation and grounding to improve thermal performance.

Important Pin Descriptions

MODSEL – Selects amplifier modulation scheme.
SDZ – Shutdown control pin for power saving.
FAULTZ – Indicates fault conditions such as overheating or short circuit.
LINP/LINN and RINP/RINN – Differential audio input pins for left and right channels.
MUTE – Allows quick muting of the amplifier output.
PVCC – Main power supply for the output stage.
OUTPL/OUTPR/OUTNL/OUTNR – Output pins connected to the speaker load.

Typical Application Circuit Schematic

Typical Application Circuit Schematic

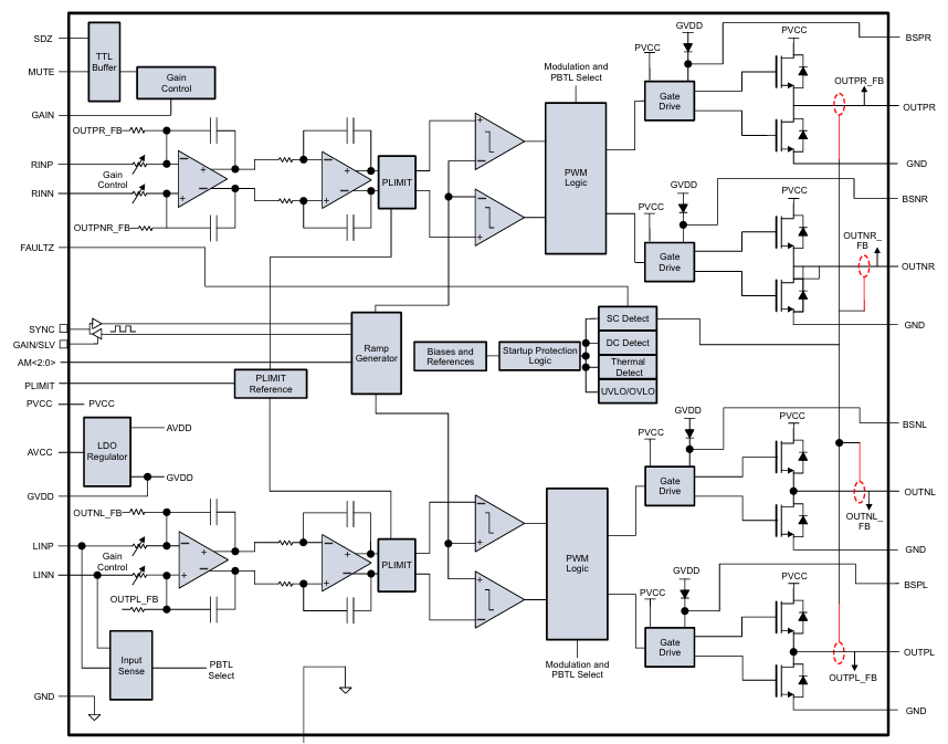
Functional Block Diagram

TPA3116 Functional Block Diagram

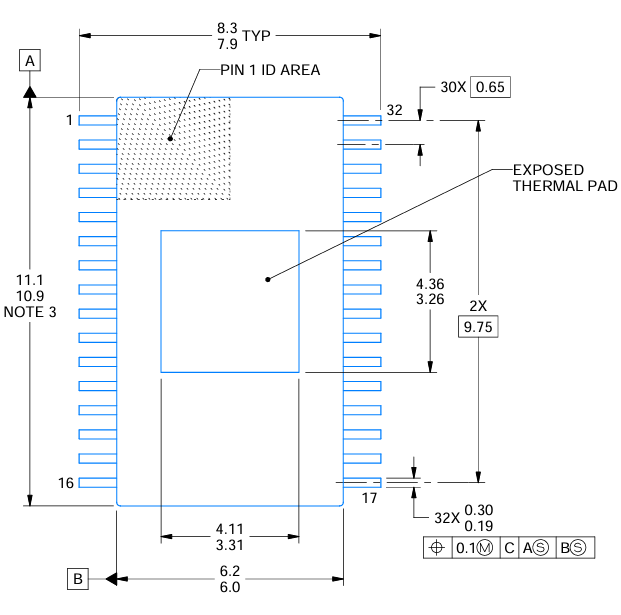
3D Model and Dimensions

tpa3116d2 3D Model

tpa3116d2 dimensions

The TPA 3116D2 package in a 32-pin HTSSOP (PowerTSSOP) package with a thermal PowerPAD to improve heat dissipation.  Can solder the thermal pad directly to the PCB copper area for better thermal performance.

Key package details:

Package width: 6.10 mm

Package type: PowerTSSOP-32

Surface-mount device

Thermal pad for heat transfer

TPA3116D2 TI Chip Specifications

Parameter

Specification

Amplifier Type

Class-D Audio Power Amplifier

Output Configuration

2-Channel (Stereo) / Mono BTL

Maximum Output Power

50W × 2 @ 4Ω

Mono Output Capability

Up to 100W @ 2Ω

Supply Voltage Range

4.5V~26V

Recommended Supply Voltage

12V – 24V

Output Load Range

2Ω – 8Ω

Efficiency

Up to 90%

Input Type

Differential / Single-Ended

Gain Options

20dB, 26dB, 32dB, 36dB

Switching Frequency

Up to 1.2 MHz

Total Harmonic Distortion (THD+N)

~0.1% (Typical)

Signal-to-Noise Ratio (SNR)

Up to 102 dB

Quiescent Current

~50 mA (Typical)

Power Supply Rejection Ratio

High PSRR design

Protection Features

Overvoltage, Undervoltage, Overtemperature, Short-Circuit, DC Detection

Control Features

Mute, Shutdown, Gain Control, Power Limit

Mounting Type

Surface Mount

Operating Temperature

−40°C to 85°C

Supplier Device Package

32-HTSSOP

Package / Case

32-PowerTSSOP (6.10 mm Width)

Thermal Pad

Exposed PowerPAD for heat dissipation

TPA3116D2 Features

The TPA 3116D2 Class-D audio amplifier from Texas Instruments offers high efficiency, flexible output configurations, and integrated protection features, making it suitable for modern audio systems.

Multiple Output Configurations

The amplifier supports several power levels within the TPA31xxD2 family. The TPA3116 D2 provides 2 × 50 W into a 4-Ω BTL load at 21 V, while related models like TPA3118D2 deliver 2 × 30 W, and TPA3130D2 provides 2 × 15 W output.

Wide Voltage Range

Operates with a 4.5 V to 26 V power supply, allowing compatibility with many power sources.

High Efficiency Operation

Class-D architecture achieves over 90% efficiency, reducing heat generation and minimizing heatsink requirements.

Flexible Switching Frequencies

Supports multiple switching frequencies up to 1.2 MHz, helping avoid AM interference and enabling master-slave synchronization.

Flexible Audio Inputs

Supports differential and single-ended inputs, providing compatibility with various audio signal sources.

Integrated Protection

Built-in protection circuits include overvoltage, undervoltage, thermal shutdown, DC detection, and short-circuit protection.

Thermal Package Design

Available in 32-pin HTSSOP thermally enhanced packages, designed for efficient heat dissipation and stable performance.

TPA3116D2 Applications

The TPA 3116D2 Class-D stereo amplifier, developed by Texas Instruments(TI), widely use in audio systems that require high efficiency, compact size, and reliable performance. Its high output power and low heat generation make it suitable for many consumer and automotive audio devices.

Mini and Micro Audio Components

The amplifier commonly use in compact stereo systems and mini audio components where space is limited but require high sound output.

Soundbars and Speaker Docks

Because of its high efficiency and stereo output capability, the chip frequently use in soundbars and docking speakers for televisions, smartphones, and portable music players.

Aftermarket Automotive Audio

The chip is suitable for car audio upgrades and aftermarket amplifier modules because its wide voltage range and strong output power.

CRT Televisions

In CRT TV audio systems, the amplifier provides efficient sound amplification while keeping power consumption and heat generation low.

Consumer Audio Equipment

The TPA3116 D2 also use in Bluetooth speakers, home stereo amplifiers, multimedia speakers, and other consumer audio products that require clear and powerful sound output.

TPA3116D2 Amplifier Board (2×50W)

TPA3116D2 Amplifier Board 2×50W

Many manufacturers produce ready-to-use amplifier modules based on the TPA3116D2 circuit. These boards commonly use in DIY audio builds.

A TPA3116 D2 amplifier board is a compact digital audio amplifier module designed for high-power stereo sound systems. These modules integrate the TPA 3116D2 Class-D amplifier IC with Bluetooth audio input, making them suitable for DIY speakers, home audio systems, and portable sound equipment. The board provides efficient amplification with low heat generation and high sound quality.

TPA3116D2 2×50W Amplifier Board Parameters

Parameter

Specification

Product Name

Digital Audio Power Amplifier Board

Amplifier Chip

TPA 3116D2

Input Voltage

DC 12V – 24V

Input Current

>5A / 120VA

Input Impedance

1KΩ

Channel Configuration

Dual Channel (Stereo)

Amplification Gain

63×

Output Power

50W × 2

Output Impedance

2Ω – 8Ω

Amplifier Type

Class-D

Board Dimensions

83 × 50 mm

Module Overview

The TPA 3116D2 Bluetooth amplifier module widely use in DIY audio projects because it combines high power output and excellent efficiency. Operating from a 12V to 24V DC power supply, the board can drive 2–8Ω speakers with up to 50W per channel. Its compact 83 × 50 mm PCB makes it easy to integrate into speaker boxes, soundbars, and portable audio systems.

TDA7498E vs TPA3116D2

Both the TDA7498E and TPA3116D2 are popular Class-D audio power amplifier ICs used in high-efficiency audio systems. However, they differ significantly in power output, voltage range, and typical applications.

Comparison Table

Parameter

TDA7498E

TPA3116D2

Amplifier Type

Class D

Class D

Output Configuration

1-Channel (Mono) or 2-Channel (Stereo)

2-Channel (Stereo)

Max Output Power × Channels @ Load

220W × 1@ 3Ω; 160W × 2@ 4Ω

50W × 2 @4Ω

Supply Voltage Range

14V~36V

4.5V~26V

Input Type

Differential Inputs

Differential / Single-Ended Inputs

Protection Features

Mute, Short-Circuit  and Thermal Protection, Standby

Overvoltage, Undervoltage, Thermal, Short-Circuit, DC Protection

Mounting Type

Surface Mount

Surface Mount

Operating Temperature

0°C – 70°C

−40°C – 85°C

Supplier Package

PowerSSO-36 EPU

32-HTSSOP

Package / Case

36-PowerFSOP (7.50 mm width)

32-PowerTSSOP (6.10 mm width)

Key Differences

The TDA7498E design for high-power audio systems, capable of delivering up to 160W per channel, making it suitable for home theater amplifiers and large speaker systems. In contrast, the TPA 3116D2 optimize for compact and energy-efficient audio devices, delivering 50W per channel while operating at a lower voltage range.

Additionally, the TPA3116 D2 supports a wider operating temperature range and lower supply voltage, making it ideal for portable audio devices, Bluetooth speakers, and small stereo amplifiers. The TDA7498E, however, is more suitable for high-power audio amplifiers and professional sound systems.

TPA3116D2 Datasheet

The datasheet contains complete technical details, including:

Device overview and description

Electrical characteristics and ratings

Pin configuration and pin functions

Typical application circuits

PCB layout recommendations

Output power graphs and efficiency curves

Protection features and operating conditions

Frequently Asked Questions [FAQ]

What is the TPA3116D2 amplifier board price?

The price varies depending on the version and features. Typical module prices range from $5 to $9.90, including versions such as 2×50W, 2×80W, 2×120W, or 2×50W + 100W subwoofer boards.

What is difference TPA3116 vs TPA3116D2?

The TPA 3116D2 is an updated version of the earlier TPA3116 amplifier chip. The D2 variant offers improved protection features, enhanced reliability, and optimized switching performance while maintaining similar pin compatibility.

What is a TPA3116D2 used for?

The TPA 3116D2 use in stereo audio amplifiers, Bluetooth speakers, soundbars, home audio systems, portable speakers, and DIY amplifier projects. Its high efficiency and compact design make it ideal for battery-powered or space-constrained audio devices.

What is the difference between TPA3118D2 and TPA3116D2?

The main difference is output power. The TPA3118D2 typically delivers 2×30W at 8Ω, while the TPA 3116D2 can produce 2×50W at 4Ω, making it more suitable for higher-power audio systems.

What power supply do I need for a TPA3116D2?

Typically use a 12V to 24V DC power supply. For full power output, many designs use 19V to 24V power supplies capable of delivering 4A–6A current.

What is the difference between TDA7388 and TPA3116D2?

The TDA7388 is a Class-AB automotive amplifier, while the TPA 3116D2 is a Class-D amplifier. Class-D designs are much more efficient and generate less heat than Class-AB amplifiers.

Does the TPA3116D2 need a heatsink?

At moderate power levels, the amplifier operate without a heatsink. However, when delivering high output power (such as 2×50W), a small heatsink attached to the PowerPAD improves thermal performance and reliability.

What is the maximum output of TPA3116D2?

The maximum typical output is 2 × 50W into a 4-ohm load with a supply voltage around 21V, operating in BTL stereo configuration.

Conclusion

The TPA3116D2 is a powerful and efficient Class-D stereo audio amplifier design by Texas Instruments for modern audio applications. With the ability to deliver up to 2 × 50 W output power, it provides strong performance while maintaining high efficiency and low heat generation.

Thanks to its wide supply voltage range (4.5V–26V), flexible input options, and support for both stereo and mono configurations, the TPA 3116D2 can use in many audio systems. Integrated protection features such as overvoltage, thermal shutdown, undervoltage protection, and short-circuit protection improve reliability and protect the device during abnormal conditions.

Because of its compact package, high efficiency, and good sound quality, the component widely use in Bluetooth speakers, soundbars, home stereo amplifiers, automotive audio systems, and DIY amplifier boards. Overall, it remains one of the most popular Class-D amplifier ICs for building efficient and high-performance audio equipment.

 

Read More:

1. PAM8610 10W Stereo Class-D Audio Amplifier and Module board

2. TL072 Operational Amplifier: Pinout and Specifications

3. LM324N Operational Amplifiers - Guide Pinout and Datasheet